[RESOLU] TWIDO qui delire
-
tardieub
- Générateur de blocs fonctions

- Messages : 132
- Enregistré le : 08 déc. 2015, 10:46
- Localisation : Sourzac
[RESOLU] TWIDO qui delire
Bonjour
J'ai un programme TWIDO qui utilise des %MW et il y en a un qui utilisé plein de fois, c'est l'heure récupéré de cette manière :
%MW14 := BTI( %SW51 )
Jusque la tout va bien mais je compare ce mot avec d'autres pour faire un programmateur horaire. De temps à autres, alors que ce %MW14 a la même valeur partout ou il est utilisé, j'ai un endroit du programme ou elle reste à zero.
Mais cet endroit peut changer, la semaine dernière c’était mercredi matin, et cette semaine c'est ce matin.
C'est bizarre comme truc.
J'ai un programme TWIDO qui utilise des %MW et il y en a un qui utilisé plein de fois, c'est l'heure récupéré de cette manière :
%MW14 := BTI( %SW51 )
Jusque la tout va bien mais je compare ce mot avec d'autres pour faire un programmateur horaire. De temps à autres, alors que ce %MW14 a la même valeur partout ou il est utilisé, j'ai un endroit du programme ou elle reste à zero.
Mais cet endroit peut changer, la semaine dernière c’était mercredi matin, et cette semaine c'est ce matin.
C'est bizarre comme truc.
- itasoft
- Mi homme - Mi automate

- Messages : 7810
- Enregistré le : 20 oct. 2015, 10:15
- Localisation : Lyon
- Contact :
Re: TWIDO qui delire
slts,
il faut encore voir comment tu as programmé tout ça, envoi ton programme pour expertise.
il faut encore voir comment tu as programmé tout ça, envoi ton programme pour expertise.
Automaticien privé (de tout)
itasoft@free.fr
itasoft@free.fr
-
tardieub
- Générateur de blocs fonctions

- Messages : 132
- Enregistré le : 08 déc. 2015, 10:46
- Localisation : Sourzac
Re: TWIDO qui delire
Bonjour It soft, merci de t'y intéresser
voici donc le début du programme, en mode "connecté" %MW14 n'a pas la même valeur partout: des fois il est à 0!
Sur une ligne ou il était à zéro, j'ai remplacer le mot avec lequel il est comparé par une constante et la valeur est réapparue.
voici donc le début du programme, en mode "connecté" %MW14 n'a pas la même valeur partout: des fois il est à 0!
Sur une ligne ou il était à zéro, j'ai remplacer le mot avec lequel il est comparé par une constante et la valeur est réapparue.
- itasoft
- Mi homme - Mi automate

- Messages : 7810
- Enregistré le : 20 oct. 2015, 10:15
- Localisation : Lyon
- Contact :
Re: TWIDO qui delire
slts,
%MW14 n'est écrit qu'une seule fois, il ne doit se mettre à zéro que à 0 heure et zéro minutes et pendant une minute ( disons à minuit).
Faire éventuellement une recherche pour voir si il serait pas utilisé ailleurs, ou dans un %MD13 ou un %MD14 ce qui aurait pour effet d'écraser le %MW14
ps:
Ceci dit, il existe les blocs horodateurs sur le TWIDO pour faire ça.
%MW14 n'est écrit qu'une seule fois, il ne doit se mettre à zéro que à 0 heure et zéro minutes et pendant une minute ( disons à minuit).
Faire éventuellement une recherche pour voir si il serait pas utilisé ailleurs, ou dans un %MD13 ou un %MD14 ce qui aurait pour effet d'écraser le %MW14
ps:
Ceci dit, il existe les blocs horodateurs sur le TWIDO pour faire ça.
Automaticien privé (de tout)
itasoft@free.fr
itasoft@free.fr
-
tardieub
- Générateur de blocs fonctions

- Messages : 132
- Enregistré le : 08 déc. 2015, 10:46
- Localisation : Sourzac
Re: TWIDO qui delire
Bonjour
Je suis bien d'accord, mais page 2 par exemple, au même, instant, en visu "en ligne" j'ai un bloc comparaison ou la valeur de ce mot est 0 alors que dans le même rung les autres de ce mot sont a l'heure courante!
Je te fais une copie d'ecran des que possible.
Sinon non pas écrit ailleurs et il n'y a pas de chevauchement.
Je sais qu'il y a un horodateur dans le twido mais je ne crois pas que l'on puisse changer a distance ces heures de marche et d'arrêt et ces jours de validités.
En fait j'ai deux XBT qui y ont accès actuellement et donnent la possibilité de régler les heures de démarrage et d'arrêt sur 7 jours .
Je suis bien d'accord, mais page 2 par exemple, au même, instant, en visu "en ligne" j'ai un bloc comparaison ou la valeur de ce mot est 0 alors que dans le même rung les autres de ce mot sont a l'heure courante!
Je te fais une copie d'ecran des que possible.
Sinon non pas écrit ailleurs et il n'y a pas de chevauchement.
Je sais qu'il y a un horodateur dans le twido mais je ne crois pas que l'on puisse changer a distance ces heures de marche et d'arrêt et ces jours de validités.
En fait j'ai deux XBT qui y ont accès actuellement et donnent la possibilité de régler les heures de démarrage et d'arrêt sur 7 jours .
- itasoft
- Mi homme - Mi automate

- Messages : 7810
- Enregistré le : 20 oct. 2015, 10:15
- Localisation : Lyon
- Contact :
Re: TWIDO qui delire
slts,
es que les copies d'écrans représentent la totalité du programme ????
es que les copies d'écrans représentent la totalité du programme ????
Automaticien privé (de tout)
itasoft@free.fr
itasoft@free.fr
- djé
- Dieu du process

- Messages : 869
- Enregistré le : 20 oct. 2015, 09:55
- Localisation : Bretagne, Pays de la Loire, Nantes
- Contact :
Re: TWIDO qui delire
Salut,
En dehors du fait que la valeur de ta variable en "visudyn" soit erronée, ce qui je le conçois est troublant, cela influe t'il sur le déroulement de ton programme?
Sinon c'est juste un bug d'affichage.
Dans un même réseau la valeur du mot ne peut pas changer à part si cette variable est écrite ailleurs :
En dehors du fait que la valeur de ta variable en "visudyn" soit erronée, ce qui je le conçois est troublant, cela influe t'il sur le déroulement de ton programme?
Sinon c'est juste un bug d'affichage.
Dans un même réseau la valeur du mot ne peut pas changer à part si cette variable est écrite ailleurs :
- dans une routine qui s'exécuterai de manière synchrone/évènementielle et dont l'exécution serait prioritaire sur ta routine en cours ou
depuis un équipement extérieur.
Le monde se divise en 10 catégories:les personnes qui comprennent le binaire,et les autres.
Dans tout ce que vous apprenez, seuls 10% vont vous servir,mais vous ne savez pas lesquels ...
Dans tout ce que vous apprenez, seuls 10% vont vous servir,mais vous ne savez pas lesquels ...
- itasoft
- Mi homme - Mi automate

- Messages : 7810
- Enregistré le : 20 oct. 2015, 10:15
- Localisation : Lyon
- Contact :
Re: TWIDO qui delire
slts,
Dans les copies d'écran présentées ya pas d'erreurs, reste à savoir si ces copies d'écrans représentent la totalité du programme ou seulement un extrait.
Si c'est juste un extrait, la cause doit se trouver dans le reste du programme.
Dans les copies d'écran présentées ya pas d'erreurs, reste à savoir si ces copies d'écrans représentent la totalité du programme ou seulement un extrait.
Si c'est juste un extrait, la cause doit se trouver dans le reste du programme.
Automaticien privé (de tout)
itasoft@free.fr
itasoft@free.fr
-
tardieub
- Générateur de blocs fonctions

- Messages : 132
- Enregistré le : 08 déc. 2015, 10:46
- Localisation : Sourzac
Re: TWIDO qui delire
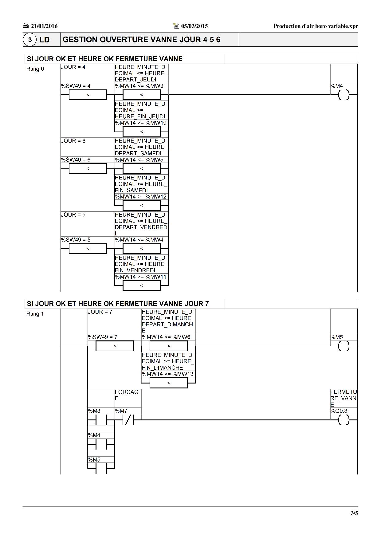
voici les 2 dernières pages:itasoft a écrit :slts,
es que les copies d'écrans représentent la totalité du programme ????
-
tardieub
- Générateur de blocs fonctions

- Messages : 132
- Enregistré le : 08 déc. 2015, 10:46
- Localisation : Sourzac
Re: TWIDO qui delire
Bonjourdjé a écrit :Salut,
En dehors du fait que la valeur de ta variable en "visudyn" soit erronée, ce qui je le conçois est troublant, cela influe t'il sur le déroulement de ton programme?
Sinon c'est juste un bug d'affichage.
Dans un même réseau la valeur du mot ne peut pas changer à part si cette variable est écrite ailleurs :
- dans une routine qui s'exécuterai de manière synchrone/évènementielle et dont l'exécution serait prioritaire sur ta routine en cours ou
depuis un équipement extérieur.
Oui cela influe, cela m'a value quelques ennuis.
Malheureusement si j'en suis la preuve, des que je retombe sur le phénomène je fait une copie d'écran.
Ou la ce programme est pas si compliqué.
Si ca intéresse quelqu'un je peux envoyer le programme pour essai.