Bonjour,
J'ai des impulsions en NPN (collecteur ouvert) d'un compteur électrique. Avec la masse commune aux quatre sorties de ce compteur.
J'ai fait une bidouille avec une résistance de "pull up" pour récupérer les impulsions.
Auriez une solution plus "industrielle" pour faire cela ?
J'ai pensé à un optocoupleur modulaire, mais je n'ai rien trouvé qui monte à 10Khz
Bonne journée
Eric
[M340] Cablage NPN sur carte EHC0800
-
ericlardechois
- Forcené des structures

- Messages : 154
- Enregistré le : 18 déc. 2017, 11:28
Re: [M340] Cablage NPN sur carte EHC0800
tu peux chercher tout simplement convertisseur NPN vers PNP
j'ai eu mis des modèles de chez wago il y a peu
tu en trouveras aussi chez phoenix contact par exemple
https://www.amazon.fr/Convertisseur-sig ... B099DSSQF6
j'ai eu mis des modèles de chez wago il y a peu
tu en trouveras aussi chez phoenix contact par exemple
https://www.amazon.fr/Convertisseur-sig ... B099DSSQF6
- itasoft
- Mi homme - Mi automate

- Messages : 7807
- Enregistré le : 20 oct. 2015, 10:15
- Localisation : Lyon
- Contact :
Re: [M340] Cablage NPN sur carte EHC0800
slts,
les optocoupleurs sont limités en fréquence ????
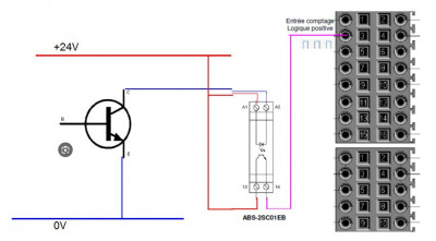
j'avais fait ça avec un optocoupleur ça marchait
---------clic zoom ---
les optocoupleurs sont limités en fréquence ????
j'avais fait ça avec un optocoupleur ça marchait
---------clic zoom ---
Automaticien privé (de tout)
itasoft@free.fr
itasoft@free.fr
-
ericlardechois
- Forcené des structures

- Messages : 154
- Enregistré le : 18 déc. 2017, 11:28
Re: [M340] Cablage NPN sur carte EHC0800
Bonjour,
Merci pour vos réponses.
Du coup j'ai trouvé des optocoupleurs de chez wago qui montent a 10khz.
Pour l'opto coupleur abs2e de chez Schneider, c'est aussi ce que j'utilisais jusqu'à maintenant.
Mais il plafonne a 1khz et là je monte à 6khz!
Les impulsions du compteur sont standardisée a 0.025wh. Quand on est à 300kw, cela Pédale fort.
Et pas moyen de modifier.
Merci encore.
Bonne journée
Eric
Merci pour vos réponses.
Du coup j'ai trouvé des optocoupleurs de chez wago qui montent a 10khz.
Pour l'opto coupleur abs2e de chez Schneider, c'est aussi ce que j'utilisais jusqu'à maintenant.
Mais il plafonne a 1khz et là je monte à 6khz!
Les impulsions du compteur sont standardisée a 0.025wh. Quand on est à 300kw, cela Pédale fort.
Et pas moyen de modifier.
Merci encore.
Bonne journée
Eric
