Schéma interne Relais Sécurité
Schéma interne Relais Sécurité
Bonjour,
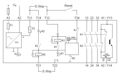
N'étant pas spécialiste d'électronique, j'aimerais votre avis sur l'équipement suivant : Il s'agit d'un relais de sécurité 24Vcc.
Question : Quelle(s) conséquence(s) pour les relais internes K1 et K2, si j'applique une tension de 24Vcc sur la ligne E-Stop T21-T22 ?
Merci
N'étant pas spécialiste d'électronique, j'aimerais votre avis sur l'équipement suivant : Il s'agit d'un relais de sécurité 24Vcc.
Question : Quelle(s) conséquence(s) pour les relais internes K1 et K2, si j'applique une tension de 24Vcc sur la ligne E-Stop T21-T22 ?
Merci
- Béryl
- Mi homme - Mi automate

- Messages : 1981
- Enregistré le : 20 oct. 2015, 12:00
- Localisation : localhost
Re: Schéma interne Relais Sécurité
T21-T22 est un rebouclage à la masse qui fait coller K2.
Tu n'appliques aucune tension sur ces bornes !
Il faut juste fermer le circuit.
Tu n'appliques aucune tension sur ces bornes !
Il faut juste fermer le circuit.
Re: Schéma interne Relais Sécurité
Oui, oui ça c'est le fonctionnement attendu.
Ma question est : si une tension de 24V est appliquée à ces bornes (de façon involontaire), que se passe-t-il en interne...
Ma question est : si une tension de 24V est appliquée à ces bornes (de façon involontaire), que se passe-t-il en interne...
- itasoft
- Mi homme - Mi automate

- Messages : 7821
- Enregistré le : 20 oct. 2015, 10:15
- Localisation : Lyon
- Contact :
Re: Schéma interne Relais Sécurité
slts,
on s'autorise à penser que c'est sans le shunt entre T21 et T22
lol
on s'autorise à penser que c'est sans le shunt entre T21 et T22
lol
Automaticien privé (de tout)
itasoft@free.fr
itasoft@free.fr
-
philou77
- Mi homme - Mi automate

- Messages : 2142
- Enregistré le : 21 oct. 2015, 10:00
- Localisation : Ile de France
Re: Schéma interne Relais Sécurité
Salut !
Appliquer une tension là où il en faut pas.
Le relais est prévu pour ça puisqu’il détecte les court-circuits entre les boucles t11/t12 et t21/t22.
Cependant si la tension vient de l’extérieur, difficile de prévoir ce qui va se passer réellement. Rien de bon dans le pire des cas.
Appliquer une tension là où il en faut pas.
Le relais est prévu pour ça puisqu’il détecte les court-circuits entre les boucles t11/t12 et t21/t22.
Cependant si la tension vient de l’extérieur, difficile de prévoir ce qui va se passer réellement. Rien de bon dans le pire des cas.
Si vous avez compris tout ce que je viens d'écrire, c'est que j'ai dû faire une erreur quelque part ! 
Re: Schéma interne Relais Sécurité
Oui, le relais est prévu pour détecter le cc et se mettre en sécurité le cas échéant.
Il s'avère en fait que j'ai le K1 interne qui ne fonctionne plus et le K2 est opérationnel.
Je cherche donc la raison de cet état de fait...
Il s'avère en fait que j'ai le K1 interne qui ne fonctionne plus et le K2 est opérationnel.
Je cherche donc la raison de cet état de fait...
-
philou77
- Mi homme - Mi automate

- Messages : 2142
- Enregistré le : 21 oct. 2015, 10:00
- Localisation : Ile de France
Re: Schéma interne Relais Sécurité
Re,
Cela sent le relais HS...Vu que tu parles de tension appliquée sur une boucle ou il en faut pas....
Ca ressemble à du pilz.., as-tu :
1- recâblé correctement le relais ?
2 - mis les roues codeuses dans la bonne position (par rapport au câblage et l'utilisation)
3 - coupé la tension A1/A2 puis remis en service ?
Cela sent le relais HS...Vu que tu parles de tension appliquée sur une boucle ou il en faut pas....
Ca ressemble à du pilz.., as-tu :
1- recâblé correctement le relais ?
2 - mis les roues codeuses dans la bonne position (par rapport au câblage et l'utilisation)
3 - coupé la tension A1/A2 puis remis en service ?
Si vous avez compris tout ce que je viens d'écrire, c'est que j'ai dû faire une erreur quelque part ! 
Re: Schéma interne Relais Sécurité
Je confirme relais HS mais je ne sais pas pourquoi.
Pas d'erreur dans le câblage.
Seule hypothèse un court-circuit entre la boucle E-Stop T21/T22 et un 24V.
Seulement, si cela avait été le cas, c'est le relais K2 qui aurait "cramé" et non le K1 comme c'est le cas. Non ?
Pas d'erreur dans le câblage.
Seule hypothèse un court-circuit entre la boucle E-Stop T21/T22 et un 24V.
Seulement, si cela avait été le cas, c'est le relais K2 qui aurait "cramé" et non le K1 comme c'est le cas. Non ?
- Béryl
- Mi homme - Mi automate

- Messages : 1981
- Enregistré le : 20 oct. 2015, 12:00
- Localisation : localhost
Re: Schéma interne Relais Sécurité
Attention : le schéma que tu as est très simplifié (sinon déjà K1 ne pourrait pas coller).
Ce qui veut dire que tu ne sais pas exactement ce qu'il y a entre les bornes T21 et T22. Pour cela, il faudrait l'ouvrir.
Tu peux, si t'es curieux, mais sache qu'une fois l'étiquette de garantie coupée, tu n'as plus le droit de le monter dans une armoire à nouveau.
C'est poubelle !
Ce qui veut dire que tu ne sais pas exactement ce qu'il y a entre les bornes T21 et T22. Pour cela, il faudrait l'ouvrir.
Tu peux, si t'es curieux, mais sache qu'une fois l'étiquette de garantie coupée, tu n'as plus le droit de le monter dans une armoire à nouveau.
C'est poubelle !
-
philou77
- Mi homme - Mi automate

- Messages : 2142
- Enregistré le : 21 oct. 2015, 10:00
- Localisation : Ile de France
Re: Schéma interne Relais Sécurité
Re !
Pas d’erreur dans le câblage et + 24 sur boucle t21/t22 c’est antivalent..
De plus le schéma que tu donnes est un schéma de principe, tu sais pas vraiment comment c’est fait à l’intérieur. Quand au mystères de l’électricité… ds fois c’est pas simple
Pas d’erreur dans le câblage et + 24 sur boucle t21/t22 c’est antivalent..
De plus le schéma que tu donnes est un schéma de principe, tu sais pas vraiment comment c’est fait à l’intérieur. Quand au mystères de l’électricité… ds fois c’est pas simple
Si vous avez compris tout ce que je viens d'écrire, c'est que j'ai dû faire une erreur quelque part ! 
