S7-1200 - Perte de programme

Forum traitant des automates industriels de marque Siemens.
HaZe
Apprend le binaire
Apprend le binaire
Messages : 8
Enregistré le : 08 déc. 2021, 18:09

S7-1200 - Perte de programme

Message par HaZe »

Bonjour a tous !!

J'ai un petit soucis suite a une mauvaise manip sur une CPU1214C (6ES7 214-1BG31-0XB0), j'ai perdu le programme et je n'ai aucun backup mis a part une vielle feuille retrouvée dans l'armoire électrique de la machine.
Mon problème est que je ne comprends pas ce qui est écrit sur la feuille, est ce qu'il y a une âme charitable qui me l'expliquer pour que je puisse le retranscrire en ladder si possible ?
(feuille en pièce jointe)

Merci d'avance ! :D
Capture.PNG
DurandO
Maître du binaire
Maître du binaire
Messages : 482
Enregistré le : 21 mars 2021, 15:31

Re: S7-1200 - Perte de programme

Message par DurandO »

Bonjour,
le bout de papier, doit être le programme d'origine d'un autre API plus ancien, je suppose.
Il faut comprendre
L I009 (Load I009)
AN B001 (And Not : ET non)
= B000 (= activation de la bobine)
Les O000 à O009 sont des sorties.

En supposant cela, il manque l'affectation de tes entrées sorties.
Il va falloir déterminer sur quelles entrées ont été câblées les "I000" à "I009". Idem pour les sorties "O000" à "O009".

Le premier réseau réécrit en langage à contact donnerait cela :
Reseau1.png
Il faudra bien sûr adapter les adresses à ton cas par exemple :
pour le mnémonique "I009" avec la bonne adresse entrée (au lieu de E1.1 que j'ai défini arbitrairement)

Cordialement.
Durand.O
HaZe
Apprend le binaire
Apprend le binaire
Messages : 8
Enregistré le : 08 déc. 2021, 18:09

Re: S7-1200 - Perte de programme

Message par HaZe »

Merci de ton retour, il est d'une grande aide, surtout ta comparaison avec le ladder.
Peux tu me dire si j'ai compris le truc :
1:
L I1 -> Load Entrée Physique 1
A I2 -> AND Entrée Physique 2
A I3 -> AND Entrée Physique 3
AN B2 -> AND NOT B2
AN B3 -> AND NOT B3
= B9 -> Activation B9 si les conditions de dessus remplies

2:
L B8 -> Load B8 (qui dépend de condition d'un autre bloque pas cité ici)
O B9 -> JE NE COMPRENDS PAS ( je suppose l'opération ''OR : OU" )
= O0 -> Déclenche sortie Physique 0 si les conditions de dessus remplies
pic.PNG
pic.PNG (139.87 Kio) Vu 2037 fois
Encore merci !!
DurandO
Maître du binaire
Maître du binaire
Messages : 482
Enregistré le : 21 mars 2021, 15:31

Re: S7-1200 - Perte de programme

Message par DurandO »

HaZe a écrit : 08 déc. 2021, 19:44 O B9 -> JE NE COMPRENDS PAS ( je suppose l'opération ''OR : OU" )
Il s'agit bien d'un "OU" (OR en anglais exactement).

Je suppose que pour les affectations tel que tu l'a conclus, I001 correspond bien à la première entrée.
Il serait bien de vérifier avec ton schéma électrique.

Cordialement.
Durand.O
HaZe
Apprend le binaire
Apprend le binaire
Messages : 8
Enregistré le : 08 déc. 2021, 18:09

Re: S7-1200 - Perte de programme

Message par HaZe »

Ce sera fait !
Merci beaucoup pour ton temps et ta réactivité.

Cordialement,
HaZe.
dpo
Dieu du process
Dieu du process
Messages : 820
Enregistré le : 27 nov. 2015, 20:03

Re: S7-1200 - Perte de programme

Message par dpo »

je n'ai jamais essayé sous TIA
mais avec step7 quand j'avais un doute sur du LIST (lu par exemple dans un programme S5 pu S7)
Dans certaines limites je faisais ça :
écrire bêtement les lignes en LIST dans un FC et basculer l'affichage de LIST à ladder
Attention saisie d'un seul réseau à la fois
HaZe
Apprend le binaire
Apprend le binaire
Messages : 8
Enregistré le : 08 déc. 2021, 18:09

Re: S7-1200 - Perte de programme

Message par HaZe »

Merci dpo c'est exactement ce que je vais faire !
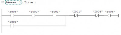
Par contre si je peux avoir un dernier avis,
L B4
A I0
A B2
O B6
AN I1
AN I6
= B6

Vous le lisez comment ? justement le passage de LIST a LADDER ne me permet pas de trancher... (j'ai intentionnellement fais des affectation avec erreur pour comprendre l'exemple)
Capture.JPG
DurandO
Maître du binaire
Maître du binaire
Messages : 482
Enregistré le : 21 mars 2021, 15:31

Re: S7-1200 - Perte de programme

Message par DurandO »

Bonjour,
HaZe a écrit : 09 déc. 2021, 08:09 Par contre si je peux avoir un dernier avis,
L B4
A I0
A B2
O B6
AN I1
AN I6
= B6
Voici ton réseau corrigé :
ResB006.png
Pour info, le code :
O B6
AN I1
en siemens, ne peut être traduit de list vers Langage à Contact. Il faut insérer le "OU" (nouvelle branche ).
Ce qui donne :
O
U B006
UN I001
UN I006, etc...
Ce qui reste l'équivalent du code cité dans ta question, ce n'est pas une erreur de ma part.
Cordialement.
steph68
Codeur fou
Codeur fou
Messages : 275
Enregistré le : 21 oct. 2015, 08:23

Re: S7-1200 - Perte de programme

Message par steph68 »

Salut,

La traduction est plutôt celle-ci :
ladder.jpg
Bref, un automaintien classique.

@+
HaZe
Apprend le binaire
Apprend le binaire
Messages : 8
Enregistré le : 08 déc. 2021, 18:09

Re: S7-1200 - Perte de programme

Message par HaZe »

Merci pour vos retours !! :D
Répondre