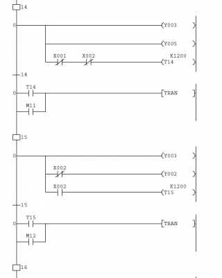
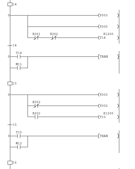
Le programme étant en SFC (Grafcet) le but est de passer manuellement à l'étape suivante en envoyant une impulsion sur une entrée dédiée.
Sauf qu'une impulsion sur cette entrée saute systématiquement toutes les étapes
J'ai essayé divers stratagèmes comme ajouter des relais auxiliaires fonctionnant sur l'étape active ou filtrer l'entrée avec la fonction [PLS] mais ça ne fonctionne pas mieux


