blocage etape

Forum traitant des automates industriels de marque Wago et du logiciel codesys
Répondre
eas68
Apprend le binaire
Apprend le binaire
Messages : 9
Enregistré le : 24 janv. 2017, 15:00

blocage etape

Message par eas68 »

Bonjour,

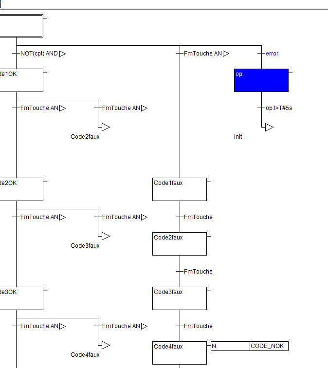
Je comprends pas pourquoi il y'a un blocage dans l'étape op, et que je ne passe pas à la transition op.t>T#5s
159.PNG
.

Merci
Avatar du membre
itasoft
Mi homme - Mi automate
Mi homme - Mi automate
Messages : 7810
Enregistré le : 20 oct. 2015, 10:15
Localisation : Lyon
Contact :

Re: blocage etape

Message par itasoft »

parce-que ya écris "error"
Automaticien privé (de tout)
itasoft@free.fr
eas68
Apprend le binaire
Apprend le binaire
Messages : 9
Enregistré le : 24 janv. 2017, 15:00

Re: blocage etape

Message par eas68 »

oui mais c'est moi qui a écris error qui est le nom de ma transition.
En gros quand il y'a 3 codes consécutifs faux , une étape doit permettre d'attendre 5 seconds.
Avatar du membre
itasoft
Mi homme - Mi automate
Mi homme - Mi automate
Messages : 7810
Enregistré le : 20 oct. 2015, 10:15
Localisation : Lyon
Contact :

Re: blocage etape

Message par itasoft »

Slts,
Il faut connaître les équations utilisées pour les transitions pour se prononcer
Automaticien privé (de tout)
itasoft@free.fr
Avatar du membre
maxpeigne
Dieu du process
Dieu du process
Messages : 775
Enregistré le : 11 oct. 2015, 17:31
Localisation : Nord pas de calais

Re: blocage etape

Message par maxpeigne »

Un truc tout bete mais dans "op.t>T#5s" il ne faut pas mettre le T#5s avec le t en minuscule?
http://automacile.fr - Site et tutoriels sur l'arduino.
Avatar du membre
filou59
Forcené des structures
Forcené des structures
Messages : 190
Enregistré le : 20 oct. 2015, 23:26
Localisation : Nord

Re: blocage etape

Message par filou59 »

Pas de prb T ou t ca passe.
Avatar du membre
JAPIB
Aguerri de l'automation
Aguerri de l'automation
Messages : 84
Enregistré le : 20 oct. 2015, 23:32
Localisation : Lyon

Re: blocage etape

Message par JAPIB »

Autre question "bête", le module programme dans lequel est écrit ce SFC reste -l parcouru en permanence quand l'étape op est activée ? :)
Répondre