REQUÊTE ECRITURE ADVANTYS

Forum traitant des automates industriels de marque Schneider - Telemecanique
JUL83
Code son premier grafcet
Code son premier grafcet
Messages : 46
Enregistré le : 21 nov. 2017, 21:34

Re: REQUÊTE ECRITURE ADVANTYS

Message par JUL83 »

Pas plus de réponse , j'ai toujours le code=05.
JUL83
Code son premier grafcet
Code son premier grafcet
Messages : 46
Enregistré le : 21 nov. 2017, 21:34

Re: REQUÊTE ECRITURE ADVANTYS

Message par JUL83 »

Pas plus de réponse, j'ai toujours le code=05 :-(
Avatar du membre
itasoft
Mi homme - Mi automate
Mi homme - Mi automate
Messages : 7807
Enregistré le : 20 oct. 2015, 10:15
Localisation : Lyon
Contact :

Re: REQUÊTE ECRITURE ADVANTYS

Message par itasoft »

tu es sur l'automate ou en simulateur ?
Automaticien privé (de tout)
itasoft@free.fr
JUL83
Code son premier grafcet
Code son premier grafcet
Messages : 46
Enregistré le : 21 nov. 2017, 21:34

Re: REQUÊTE ECRITURE ADVANTYS

Message par JUL83 »

sur l'automate.
Avatar du membre
itasoft
Mi homme - Mi automate
Mi homme - Mi automate
Messages : 7807
Enregistré le : 20 oct. 2015, 10:15
Localisation : Lyon
Contact :

Re: REQUÊTE ECRITURE ADVANTYS

Message par itasoft »

disons que ça marche moi, je ne suis pas sur un M340 mais sur un PREMUIM
Automaticien privé (de tout)
itasoft@free.fr
JUL83
Code son premier grafcet
Code son premier grafcet
Messages : 46
Enregistré le : 21 nov. 2017, 21:34

Re: REQUÊTE ECRITURE ADVANTYS

Message par JUL83 »

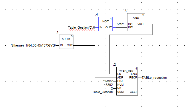
Capture.PNG
Capture.PNG (10.21 Kio) Vu 3097 fois
Bon, décidément, je suis si mauvais que ça!!!:-(, du coup j'ai essayé une requête de lecture. Dans la table de gestion j'ai le mot %MW100 qui s'incrémente, et quand j’arrête j'ai le code =02
Avatar du membre
itasoft
Mi homme - Mi automate
Mi homme - Mi automate
Messages : 7807
Enregistré le : 20 oct. 2015, 10:15
Localisation : Lyon
Contact :

Re: REQUÊTE ECRITURE ADVANTYS

Message par itasoft »

0200=Dépassement capacité de la file d'attente des commandes

affiche ton programme
Automaticien privé (de tout)
itasoft@free.fr
Avatar du membre
itasoft
Mi homme - Mi automate
Mi homme - Mi automate
Messages : 7807
Enregistré le : 20 oct. 2015, 10:15
Localisation : Lyon
Contact :

Re: REQUÊTE ECRITURE ADVANTYS

Message par itasoft »

avec le READ_VAR le TimeOut est obligatoire et ne le vois pas dans la table de gestion dans %MW100[2]
Automaticien privé (de tout)
itasoft@free.fr
JUL83
Code son premier grafcet
Code son premier grafcet
Messages : 46
Enregistré le : 21 nov. 2017, 21:34

Re: REQUÊTE ECRITURE ADVANTYS

Message par JUL83 »

Capture.PNG
Capture.PNG (9.33 Kio) Vu 3095 fois
ça fonctionne de moins en moins.....:-(
Avatar du membre
itasoft
Mi homme - Mi automate
Mi homme - Mi automate
Messages : 7807
Enregistré le : 20 oct. 2015, 10:15
Localisation : Lyon
Contact :

Re: REQUÊTE ECRITURE ADVANTYS

Message par itasoft »

un exemple en ST

(*horloge 1s*)
%M6:=%S6;

(*Une requete toutes les s *)
if re(%M6) and not %MW0.0 then
%MW0:=0;
%MW1:=0;
%MW2:=2;(*TimeOut 200ms*)
%MW3:=0;
READ_VAR(ADDM('Ethernet_1{192.168.1.1}TCP.MBS'), '%MW', 10, 2, %MW0:4, %MW100:2);
end_if;
Automaticien privé (de tout)
itasoft@free.fr
Répondre