Bonjour à tous je suis un petit peu perdu sur le schéma de raccordement (sortie logique positive).
Est-ce que qu’elle qu’un peux m'éclaircir le sujets s'il vous plait ?
Merci et bonne journée
mon mail:
bieler.gabin@gmail.com
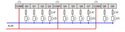
Question automate TM221CE24R
-
BIELERGABIN
- Apprend le binaire

- Messages : 4
- Enregistré le : 30 déc. 2024, 15:52
- itasoft
- Mi homme - Mi automate

- Messages : 7810
- Enregistré le : 20 oct. 2015, 10:15
- Localisation : Lyon
- Contact :
Re: Question automate TM221CE24R
----------clic zoom---------
Automaticien privé (de tout)
itasoft@free.fr
itasoft@free.fr
-
BIELERGABIN
- Apprend le binaire

- Messages : 4
- Enregistré le : 30 déc. 2024, 15:52
Re: Question automate TM221CE24R
Super merci !
gabin
gabin