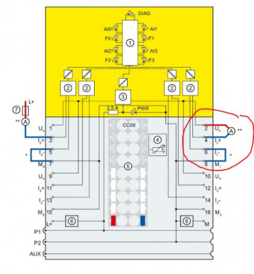
J'ai été amené à dépanner la semaine dernière un automate S7 300-F, automate avec Safety donc, et qui gère une chaudière. Dans une des station déportée en Profibus on a deux cartes d'entrées analogique Safety de 6 voies.
Sur une des deux cartes une des voies sort un défaut "QBAD" et ce défaut plante la chaudière par programmation. Hors la mesure est parfaitement bonne et ce défaut n'en pas un en réalité.
La doc est très peu explicite sur ce que signifie une voie en "QBAD", qu'est ce qui pourrai faire qu'une voie s’affiche en QBAD avec une mesure correcte ???
Ce qu'on ne comprend pas par ailleurs c'est qu'on arrive pas à déplacer le défaut, c'est toujours la même voie qui a le problème même en permutant deux mesures. On a évidemment remplacé la carte ana, la sonde, le câble et même les borniers et ça ne change absolument rien
On a pu récupérer le mot de passe du programme Safety en fin de semaine donc je vais essayer de shunter cette info QBAD pour démarrer la chaudière mais il faudra bien qu'on comprenne à un moment pourquoi elle est là donc si quelqu'un a un début de piste ça m’intéresse. Merci.
JC

