Bonjour,
Je suis débutant en automatisme je souhaite établir une communication entre Une NOC0401 sur un M340 avec un variateur ATV320 sur le logiciel control expert. Pour ma part j'ai ajouté le DTM de l'ATV320 j'ai fait sa configuration modbus, j'ai aussi fait un read Var pour pouvoir assurer une communication pourtant je n'ai rien sur ma table d'échange ( je n'ai pas raccorder la partie puissance juste la commande )
cordialement
Communication atv320
- itasoft
- Mi homme - Mi automate

- Messages : 7807
- Enregistré le : 20 oct. 2015, 10:15
- Localisation : Lyon
- Contact :
Re: Communication atv320
Quel protocole et quelle est la syntaxe de ton READ_VAR ??
------------
M340 sur NOC0401 Ehernet/ip le NOC à l'emplacement 4
READ_VAR(ADDM('0.4.0{192.168.1.10}CON.CIP'),'%MW',1000,16,%MW0:4,%MW100:16);
M340 sur NOC0401 ModBus tcp/ip le NOC à l'emplacement 4
READ_VAR(ADDM('0.4.0{192.168.1.10}TCP.MBS'),'%MW',1000,16,%MW0:4,%MW100:16);
------------
M340 sur NOC0401 Ehernet/ip le NOC à l'emplacement 4
READ_VAR(ADDM('0.4.0{192.168.1.10}CON.CIP'),'%MW',1000,16,%MW0:4,%MW100:16);
M340 sur NOC0401 ModBus tcp/ip le NOC à l'emplacement 4
READ_VAR(ADDM('0.4.0{192.168.1.10}TCP.MBS'),'%MW',1000,16,%MW0:4,%MW100:16);
Automaticien privé (de tout)
itasoft@free.fr
itasoft@free.fr
-
MiGaNuTs
- Mi homme - Mi automate

- Messages : 1579
- Enregistré le : 12 nov. 2015, 21:02
- Localisation : 45 - Loiret
- Contact :
Re: Communication atv320
Bonjour,
si tu utilise le DTM pour configurer le IO-Scanning, tu n'a pas besoin de faire de ReadVar.
Si tu utilise la fonction Readvar, tu n'a pas besoin du DTM ni de configurer le IO-Scanning, et du coup c'est normal qu'il n'y ai rien dans ta table d'échanges.
Pour moi en Ethernet/IP c'est moins chiant de faire du IO-Scanning (a condition d'avoir le bon fichier EDS), mais en Modbus le bon vieux Readvar/writevar marche très bien.
si tu utilise le DTM pour configurer le IO-Scanning, tu n'a pas besoin de faire de ReadVar.
Si tu utilise la fonction Readvar, tu n'a pas besoin du DTM ni de configurer le IO-Scanning, et du coup c'est normal qu'il n'y ai rien dans ta table d'échanges.
Pour moi en Ethernet/IP c'est moins chiant de faire du IO-Scanning (a condition d'avoir le bon fichier EDS), mais en Modbus le bon vieux Readvar/writevar marche très bien.
Re: Communication atv320
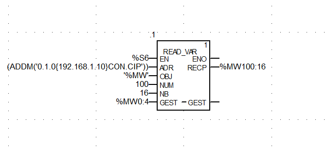
J'ai opté pour faire la communication en read/write Var en supprimant mon DTM de ma NOC , ma syntaxe est : (ADDM('0.1.0{192.168.1.10}')) , '%MW' , 100 , 8 , gestion , lecture_8_variables ("j'ai laisse ma NOC a l'emplacement 1")
ps : j'ai envoyé des screen de ma config
ps : j'ai envoyé des screen de ma config
-
MiGaNuTs
- Mi homme - Mi automate

- Messages : 1579
- Enregistré le : 12 nov. 2015, 21:02
- Localisation : 45 - Loiret
- Contact :
Re: Communication atv320
Du coup tu fait un readvar, mais en EtherNet/IP et pas en Modbus ?
Tu dit que tu lit 8 variables, mais tu utilise 16 words. Tu va chercher des variables 32 bits?
Tu dit que tu lit 8 variables, mais tu utilise 16 words. Tu va chercher des variables 32 bits?
Re: Communication atv320
Et pour l’échange de données le système de global data c’est plus à la page ?
J’entends plus parlé de l’i/o scaning et dtm , même le read/write var j’en entends de moins en moins parler
J’entends plus parlé de l’i/o scaning et dtm , même le read/write var j’en entends de moins en moins parler
-
ericlardechois
- Forcené des structures

- Messages : 154
- Enregistré le : 18 déc. 2017, 11:28
Re: Communication atv320
Bonjour,
Si tu n'as pas câblé la puissance, ton variateur n'est pas alimenté et ne peut pas communiquer.
Il faut au moins lui mettre l'alimentation.
Eric
Si tu n'as pas câblé la puissance, ton variateur n'est pas alimenté et ne peut pas communiquer.
Il faut au moins lui mettre l'alimentation.
Eric

