Salut,
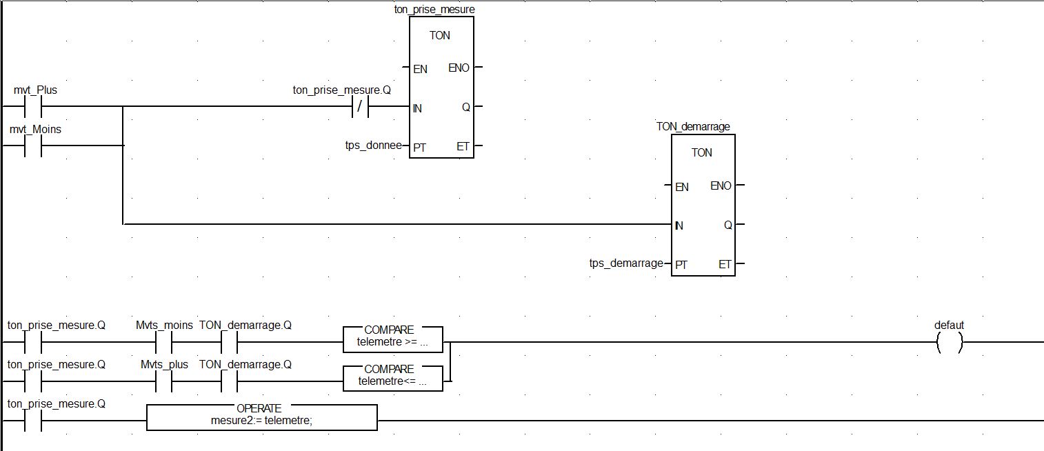
je souhaite developper une fonction que je placerais dans un bloc, l idée est detecter si un mouvement de translation est effectif lorsque la sortie est active, pour ca on a un telemetre (metre laser) qui dois varié lors d un mouvent d une valeure comprise entre 0 et 27 metres.
2 defauts sont possible
- le telemetre pour une raison quelconque ne fonctionnerais pas
- le moteur est HS ou la mecanique est en defaut
j ai commencé a develloper la fonction j aimerai bien avoir un retour sur une erreure ou bien des ameliorations
Le +10 que j ai rajouter c est pour filtrer les eventuelle variation qui ferait fluctuer la valeur
Le EW dy est la valeur que l on recupere du telemetre
Mesure est le memo de telemetre pour comparer l evolution
Je suis etudiant en automatisme depuis cette année donc je n ai pas de connaissance approndie de l autom
bien a vous
develloper une fonction
develloper une fonction
Modifié en dernier par NA2S le 16 févr. 2024, 12:35, modifié 2 fois.
Re: develloper une fonction
A priori à la fin de la tempo tu mémorises la valeur puis tu testes aussi si elle est dans une bonne plage.
ça ne marchera pas
si j'ai bien compris ce que tu veux faire :
si pas de commande avant et pas de commande arriere alors tu mémorises
si commande avant ou commande arrière tu lances une tempo
à la fin de la tempo tu fais tes tests d'erreur
A voir si tu mémorises le défaut ? si tu provoques un arrêt...
ça ne marchera pas
si j'ai bien compris ce que tu veux faire :
si pas de commande avant et pas de commande arriere alors tu mémorises
si commande avant ou commande arrière tu lances une tempo
à la fin de la tempo tu fais tes tests d'erreur
A voir si tu mémorises le défaut ? si tu provoques un arrêt...
Re: develloper une fonction
pas exactement, quand j ai un mouvement av ou arr, je souhaite verifier que mon mouvement s effectue et pour ca j exploite le telemetre pour voir qu il evolue bien quand mon moteur est en marche.
j effetue une prise de mesure toute les deux secondes
la seconde tempo est la pour filtrer les 1eres secondes pour laisser le temps au systeme de se mettre en route
et oui la finalitée est de remonter un defaut
j espere que j ai ete claire
j effetue une prise de mesure toute les deux secondes
la seconde tempo est la pour filtrer les 1eres secondes pour laisser le temps au systeme de se mettre en route
et oui la finalitée est de remonter un defaut
j espere que j ai ete claire

