Com sur danfoss avec M340
Com sur danfoss avec M340
Bonjour,
Je dispose de 11 variateurs FC202 Danfoss en réseau modbus TCP avec une CPU M340 (P342020).
Mon architecture réseau sur ces variateurs passent par un switch depuis le PLC et j'ai fais 1 groupe de 5 et 1 autre groupe de 6. Entre eux, j'ai fais un chainage réseaux comme leur carte de com est prévu pour. Sur le switch, j'ai d'autres appareils en réseaux.
Je fais uniquement de la lecture de mots (x4) sur ces variateurs avec des blocs READ cadencés à 100ms chacun et mes time out de la trame sont à 500ms.
Mon problème est très simple, la com fonctionne pendant quelques minutes voire heures mais ensuite je ne reçois plus rien. La leds de com sur les variateurs se met à clignoter et mon bloc READ m'informe un code 16#07, en gros qu'il ne trouve plus l'esclave.
Je précise que mes autres appareils sur le même réseaux et sur le même switch fonctionnent très bien avec d'autres blocs READ.
Voila si vous avez des idées...
Je pense dissocier les câbles réseaux sur chacun de mes variateurs vers le switch afin d'enlever le chainage, mais je doute que ce soit la solution...
Je dispose de 11 variateurs FC202 Danfoss en réseau modbus TCP avec une CPU M340 (P342020).
Mon architecture réseau sur ces variateurs passent par un switch depuis le PLC et j'ai fais 1 groupe de 5 et 1 autre groupe de 6. Entre eux, j'ai fais un chainage réseaux comme leur carte de com est prévu pour. Sur le switch, j'ai d'autres appareils en réseaux.
Je fais uniquement de la lecture de mots (x4) sur ces variateurs avec des blocs READ cadencés à 100ms chacun et mes time out de la trame sont à 500ms.
Mon problème est très simple, la com fonctionne pendant quelques minutes voire heures mais ensuite je ne reçois plus rien. La leds de com sur les variateurs se met à clignoter et mon bloc READ m'informe un code 16#07, en gros qu'il ne trouve plus l'esclave.
Je précise que mes autres appareils sur le même réseaux et sur le même switch fonctionnent très bien avec d'autres blocs READ.
Voila si vous avez des idées...
Je pense dissocier les câbles réseaux sur chacun de mes variateurs vers le switch afin d'enlever le chainage, mais je doute que ce soit la solution...
- itasoft
- Mi homme - Mi automate

- Messages : 7806
- Enregistré le : 20 oct. 2015, 10:15
- Localisation : Lyon
- Contact :
Re: Com sur danfoss avec M340
slts,
mettre un exemple de la programmation des READ_VAR es que c'est bien conditionné par le bit d'activité ?
Es que tu utilise un seul bloc READ_VAR ou un READ_VAR pour chaque variateur ? Si c'est le cas le tableau de gestion 4 mots doit être le même pour tous
--
mettre un exemple de la programmation des READ_VAR es que c'est bien conditionné par le bit d'activité ?
Es que tu utilise un seul bloc READ_VAR ou un READ_VAR pour chaque variateur ? Si c'est le cas le tableau de gestion 4 mots doit être le même pour tous
--
Automaticien privé (de tout)
itasoft@free.fr
itasoft@free.fr
Re: Com sur danfoss avec M340
ce we j'ai pas de capture sous la main... oui il y a un bloc par var, les trames ont toutes le même format (4) et le bit d'activité est en série sur chaque puls de 100ms.
En terme de temps de time out, n'est ce pas trop court ..?
En terme de temps de time out, n'est ce pas trop court ..?
- itasoft
- Mi homme - Mi automate

- Messages : 7806
- Enregistré le : 20 oct. 2015, 10:15
- Localisation : Lyon
- Contact :
Re: Com sur danfoss avec M340
Slts,
Dans ce cas c’est fait correctement ça devrait marcher.
Je dirait plutôt que le timeOut est trop long, je le mettrais inférieur au cadencement soit 90 ms
Sinon pour tester mettre le cadencement à 1s pour voir
Dans ce cas c’est fait correctement ça devrait marcher.
Je dirait plutôt que le timeOut est trop long, je le mettrais inférieur au cadencement soit 90 ms
Sinon pour tester mettre le cadencement à 1s pour voir
Automaticien privé (de tout)
itasoft@free.fr
itasoft@free.fr
Re: Com sur danfoss avec M340
Salut,
Tu as plusieurs blocs Read_Var si j'ai bien compris. Est-ce qu'il est possible que tu te retrouves avec plusieurs Read_Var actifs en même temps?
Dans ce cas vérifie le nombre de connections simultanées que permet ton UC.
Tu as plusieurs blocs Read_Var si j'ai bien compris. Est-ce qu'il est possible que tu te retrouves avec plusieurs Read_Var actifs en même temps?
Dans ce cas vérifie le nombre de connections simultanées que permet ton UC.
- itasoft
- Mi homme - Mi automate

- Messages : 7806
- Enregistré le : 20 oct. 2015, 10:15
- Localisation : Lyon
- Contact :
Re: Com sur danfoss avec M340
----------------
si on présume que le cadenceur change de variateur toutes les 100ms , donc un seul READ_VAR à la fois, ça peut pas arriver
Automaticien privé (de tout)
itasoft@free.fr
itasoft@free.fr
Re: Com sur danfoss avec M340
Bonsoir,
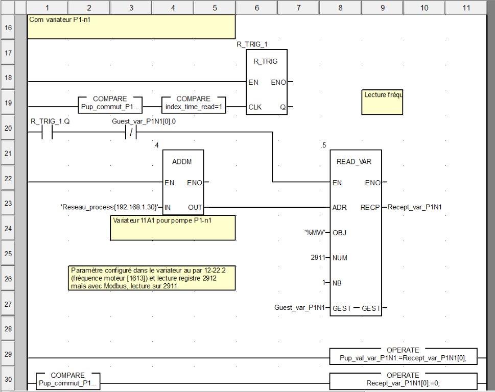
Voici une capture d'un bloc parmi les 11.
Oui il y a bien 11 blocs différents cadencés à 100ms chacun.
Le pire est que quand çà déconne, je ne peux même plus les pingger
J'envisage de suivre ton conseil itasoft et faire les étapes suivantes:
- monter le cadencement à 200ms (1s c'est trop et puis j'ai 35 autres appareils donc il faut qu'ils soient rafraichis raisonnablement)
- mettre le timeout à 100ms (90, on peux pas)
- mettre un cable réseau par variateur depuis mon switch
- faire une coupure automate, histoire de nettoyer le buffer
Je vous tiens au jus Mercredi soir, merci pour vos réponses.
Voici une capture d'un bloc parmi les 11.
Oui il y a bien 11 blocs différents cadencés à 100ms chacun.
Le pire est que quand çà déconne, je ne peux même plus les pingger
J'envisage de suivre ton conseil itasoft et faire les étapes suivantes:
- monter le cadencement à 200ms (1s c'est trop et puis j'ai 35 autres appareils donc il faut qu'ils soient rafraichis raisonnablement)
- mettre le timeout à 100ms (90, on peux pas)
- mettre un cable réseau par variateur depuis mon switch
- faire une coupure automate, histoire de nettoyer le buffer
Je vous tiens au jus Mercredi soir, merci pour vos réponses.
- itasoft
- Mi homme - Mi automate

- Messages : 7806
- Enregistré le : 20 oct. 2015, 10:15
- Localisation : Lyon
- Contact :
Re: Com sur danfoss avec M340
slts,
Pas compris comment marche ton chenillard usine à gaz, ci dessous un exemple de chenillard simple
--------clic pour zoom--- ps: pour 11 variateurs , en parallèle avec %MW0=0 mettre le contact %MW0.11
Pas compris comment marche ton chenillard usine à gaz, ci dessous un exemple de chenillard simple
--------clic pour zoom--- ps: pour 11 variateurs , en parallèle avec %MW0=0 mettre le contact %MW0.11
Automaticien privé (de tout)
itasoft@free.fr
itasoft@free.fr
Re: Com sur danfoss avec M340
Bonsoir,
Et bien ça fonctionne!
Après plusieurs manip, j'ai fais des petits groupe de 3 en terme de connexion réseau. Puis je suis sur 500ms en timeout.
Concernant "mon chenillard d'usine à gaz", itasoft, c'est juste un compteur qui incrémente ma variable index_time_read et pour chaque valeur je fais un petit trig.
Pas mal l'idée du registre à décalage, mais plus complexe pour un nombre supérieur à 16...
A+
Et bien ça fonctionne!
Après plusieurs manip, j'ai fais des petits groupe de 3 en terme de connexion réseau. Puis je suis sur 500ms en timeout.
Concernant "mon chenillard d'usine à gaz", itasoft, c'est juste un compteur qui incrémente ma variable index_time_read et pour chaque valeur je fais un petit trig.
Pas mal l'idée du registre à décalage, mais plus complexe pour un nombre supérieur à 16...
A+
- itasoft
- Mi homme - Mi automate

- Messages : 7806
- Enregistré le : 20 oct. 2015, 10:15
- Localisation : Lyon
- Contact :
Re: Com sur danfoss avec M340
OK,
sinon, si c'est <=32 on peut mettre un type DINT à la place
sinon, si c'est <=32 on peut mettre un type DINT à la place
Automaticien privé (de tout)
itasoft@free.fr
itasoft@free.fr

