M340 vers servo drive en Modbus

Forum traitant des automates industriels de marque Schneider - Telemecanique
Répondre
Lucas
Apprend le binaire
Apprend le binaire
Messages : 2
Enregistré le : 11 juil. 2019, 08:30

M340 vers servo drive en Modbus

Message par Lucas »

Bonjour à tous !
Actuellement je travaille avec un M340 et je dois contrôler un moteur pas à pas (Oriental Motor) et donc communiquer avec son driver via une com Modbus RTU (RS 485).
J'essaie d'envoyer des données vers le driver mais celui-ci ne reçoit rien. C'est la première fois que je tente ce genre de chose avec Schneider.
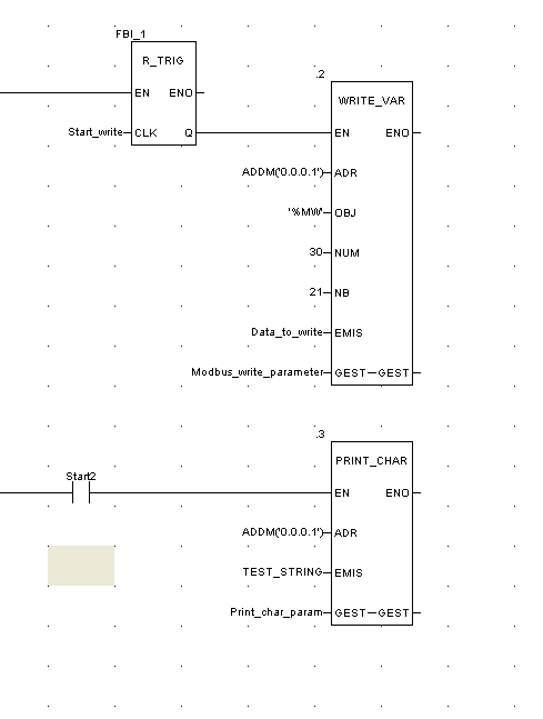
Vous pourrez voir sur les photos mes parametres de com série ainsi que mes 2 lignes pour essayer d'envoyer. Il y a aussi les paramètres de com qui sont (je pense) identiques au M340. Lorsque je simule, la LED serial du controleur P34 1000 clignote bien.
Il n'y a pas de code d'erreur lors de l'envoi.
C'est la première fois et donc je me demandais si l'adresse avec ADDM('0.0.0.1') était bonne ? Je suis relié directement avec un RJ45.
L'adresse de mon tableau de données commence bien par %MW30, c'est ce que je dois spécifié dans le bloc write_var je suppose.
Si quelqu'un pourrait m'aiguiller vers une solution ce serait top :)
Par avance merci !
Fichiers joints
3.PNG
2.PNG
2.PNG (9.86 Kio) Vu 1072 fois
1.PNG
1.PNG (8.95 Kio) Vu 1072 fois
Avatar du membre
itasoft
Mi homme - Mi automate
Mi homme - Mi automate
Messages : 7807
Enregistré le : 20 oct. 2015, 10:15
Localisation : Lyon
Contact :

Re: M340 vers servo drive en Modbus

Message par itasoft »

slts,
l'adresse avec ADDM('0.0.0.1') signifie émission vers l'esclave n°1
Automaticien privé (de tout)
itasoft@free.fr
Lucas
Apprend le binaire
Apprend le binaire
Messages : 2
Enregistré le : 11 juil. 2019, 08:30

Re: M340 vers servo drive en Modbus

Message par Lucas »

Ah d'accord merci, je comprends mieux même si, du coup, ce n'est pas une erreur.
Répondre