Régime TN

Partie du forum pour tout ce qui concerne la partie électricité et électrotechnique dans l'industrie. Forum, conseil, astuce et entraide sur l'électricité industrielle et l'électrotechnique. Aide à la résolution de problèmes et dépannage.
Répondre
papaya
Générateur de blocs fonctions
Générateur de blocs fonctions
Messages : 122
Enregistré le : 03 nov. 2015, 11:10

Régime TN

Message par papaya »

Bonjour,
Sur un régime TN, terre et neutre confondu,
J'ai des équipements en 220v,
Puis-je utiliser une phase et la terre du coup pour créer mon 220 v ?
( j'equilibrerais en utilisant un coup une phase pour un équipement puis une autre phase pour un autre équipement)

Ou je dois installer un transfo 400v triphasé vers 220 v..?

En vous remerciant pour l'aide que vous pourrez m'apporter.
Lorent2
Maître du binaire
Maître du binaire
Messages : 487
Enregistré le : 27 déc. 2015, 08:52

Re: Régime TN

Message par Lorent2 »

Oui, en TNC, tu peux recréer ton neutre via la terre.
Si quelquefois tu te sens petit, inutile, démoralisé ou dépressif, n'oublies jamais que tu as été un jour le plus rapide et le meilleur spermatozoïde de ta bande ...
philou77
Mi homme - Mi automate
Mi homme - Mi automate
Messages : 2142
Enregistré le : 21 oct. 2015, 10:00
Localisation : Ile de France

Re: Régime TN

Message par philou77 »

Salut !

Tu semble vouloir faire du tnc !

C’est interdit en dessous de 10mm2

Regarde ici https://www.infoelec.dz/article/regimes ... ou-it.html
Si vous avez compris tout ce que je viens d'écrire, c'est que j'ai dû faire une erreur quelque part ! :D
Lorent2
Maître du binaire
Maître du binaire
Messages : 487
Enregistré le : 27 déc. 2015, 08:52

Re: Régime TN

Message par Lorent2 »

philou77 a écrit : 26 août 2020, 08:48 Salut !

Tu semble vouloir faire du tnc !

C’est interdit en dessous de 10mm2

Regarde ici https://www.infoelec.dz/article/regimes ... ou-it.html
Il est en TNC et veut repasser sur du TNS sur certains équipements.
Si quelquefois tu te sens petit, inutile, démoralisé ou dépressif, n'oublies jamais que tu as été un jour le plus rapide et le meilleur spermatozoïde de ta bande ...
Titipass
Première mise en service
Première mise en service
Messages : 67
Enregistré le : 28 nov. 2019, 09:26

Re: Régime TN

Message par Titipass »

Bonjour,
Brancher les appareils entre phase et terre va faire sauter les différentiels de protection.
Je préconiserai plutôt un autotransfo monophasé 400/230.
Lorent2
Maître du binaire
Maître du binaire
Messages : 487
Enregistré le : 27 déc. 2015, 08:52

Re: Régime TN

Message par Lorent2 »

Titipass a écrit : 26 août 2020, 09:01 Bonjour,
Brancher les appareils entre phase et terre va faire sauter les différentiels de protection.
Je préconiserai plutôt un autotransfo monophasé 400/230.
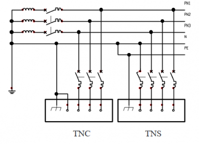
Ah ah ah, blague validée, la terre étant ton neutre, tu veux déclencher quoi ?
Image

Je confirme donc : On peut combiner un réseau TNC puis un TNS, mais jamais l'inverse.
Fichiers joints
TNC TNS.png
Si quelquefois tu te sens petit, inutile, démoralisé ou dépressif, n'oublies jamais que tu as été un jour le plus rapide et le meilleur spermatozoïde de ta bande ...
Avatar du membre
skip74
Créateur de langage
Créateur de langage
Messages : 664
Enregistré le : 13 oct. 2015, 06:34

Re: Régime TN

Message par skip74 »

Salut

C'est possible si:
Section Pen minimum 16°
On peut le faire qu'une fois TNS en aval du tnc pas l'inverse
Pas de différentiel en amont
On ne coupe jamais le Pen par des disjoncteurs ou inter

Ça c de mémoire, a vérifier

A+
papaya
Générateur de blocs fonctions
Générateur de blocs fonctions
Messages : 122
Enregistré le : 03 nov. 2015, 11:10

Re: Régime TN

Message par papaya »

Merci pour votre aide
Répondre