Remplacement convertisseur rs232 boucle de courant

Forum traitant des automates industriels de marque Schneider - Telemecanique
Bsol
Code sa première boucle
Code sa première boucle
Messages : 12
Enregistré le : 03 févr. 2025, 16:01

Remplacement convertisseur rs232 boucle de courant

Message par Bsol »

Bonjour,
Que pouvez vous me conseiller pour remplacer un convertisseur rs232 boucle de courant rs 640-3584?

Cette réf n’existe plus sur rs et je cherche quelque chose qui marche pour se connecter sur un tsx7.

Merci de votre aide :)
Avatar du membre
itasoft
Mi homme - Mi automate
Mi homme - Mi automate
Messages : 7816
Enregistré le : 20 oct. 2015, 10:15
Localisation : Lyon
Contact :

Re: Remplacement convertisseur rs232 boucle de courant

Message par itasoft »

01.JPG
04.JPG
--------------
WESTERMO
03.JPG
Modifié en dernier par itasoft le 07 févr. 2025, 20:39, modifié 1 fois.
Automaticien privé (de tout)
itasoft@free.fr
Bsol
Code sa première boucle
Code sa première boucle
Messages : 12
Enregistré le : 03 févr. 2025, 16:01

Re: Remplacement convertisseur rs232 boucle de courant

Message par Bsol »

Merci de ta réponse, tu as déjà testé le premier?tu as un schéma de câblage?

Merci à toi ;)
Avatar du membre
itasoft
Mi homme - Mi automate
Mi homme - Mi automate
Messages : 7816
Enregistré le : 20 oct. 2015, 10:15
Localisation : Lyon
Contact :

Re: Remplacement convertisseur rs232 boucle de courant

Message par itasoft »

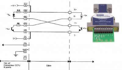
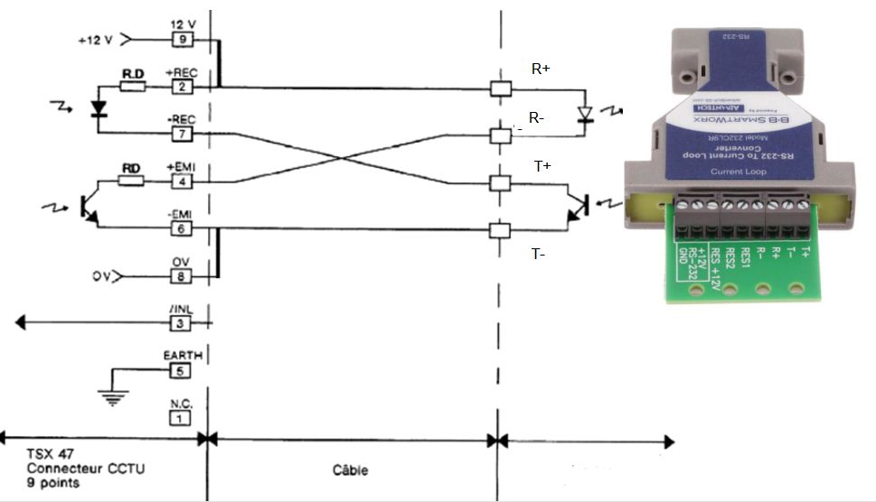
ça doit se brancher comme ci dessous mais j'ai pas testé
-------clic pour zoom----------------
01.JPG
Automaticien privé (de tout)
itasoft@free.fr
Bsol
Code sa première boucle
Code sa première boucle
Messages : 12
Enregistré le : 03 févr. 2025, 16:01

Re: Remplacement convertisseur rs232 boucle de courant

Message par Bsol »

Je vais l’acheter et tester; je te tiens au courant ;)
Bsol
Code sa première boucle
Code sa première boucle
Messages : 12
Enregistré le : 03 févr. 2025, 16:01

Re: Remplacement convertisseur rs232 boucle de courant

Message par Bsol »

EDIT:
Je l’ai reçu cette semaine, ça marche. Par contre j’ai des déconnexions toutes les 20 secondes. Je fais  « press enter » et ça repart sans trop d’incidences. Je pense que ça vient du parametrage entre le pc et la machine virtuelle, je vais me pencher dessus.

Merci pour la proposition de cet adaptateur 👍🏼
Avatar du membre
itasoft
Mi homme - Mi automate
Mi homme - Mi automate
Messages : 7816
Enregistré le : 20 oct. 2015, 10:15
Localisation : Lyon
Contact :

Re: Remplacement convertisseur rs232 boucle de courant

Message par itasoft »

ok, voir à tirer ça au clair pour savoir si on peut le recommander aux autres
Automaticien privé (de tout)
itasoft@free.fr
Bsol
Code sa première boucle
Code sa première boucle
Messages : 12
Enregistré le : 03 févr. 2025, 16:01

Re: Remplacement convertisseur rs232 boucle de courant

Message par Bsol »

Dans tout les cas, malgré ce problème, j’arrive à récupérer/transferer un programme complet, même si j’ai ce problème.
Pour moi l’adaptateur advantech peut être recommandé 😉
Avatar du membre
JC87
Mi homme - Mi automate
Mi homme - Mi automate
Messages : 2266
Enregistré le : 20 oct. 2015, 13:00
Localisation : Nouvelle Aquitaine

Re: Remplacement convertisseur rs232 boucle de courant

Message par JC87 »

Bsol a écrit : 15 févr. 2025, 18:36 Dans tout les cas, malgré ce problème, j’arrive à récupérer/transferer un programme complet, même si j’ai ce problème.
Pour moi l’adaptateur advantech peut être recommandé 😉
Bonjour,

récupérer un programme oui car en relançant par "ENTER" l'upload se poursuit, par contre en download si la com plante c'est mort, il faut recommencer de zéro et quand le programme est très gros ça peut ne jamais marcher.

Cela dit ces soucis de déconnexion ne viennent pas en général du convertisseur mais plutôt de la VM et de son intégration dans Windows.

Pour finir il faut pister sur le coin coin les Westermo MA-21, c'était le convertisseur Télé qui était un produit re badgé. J'en ai trouvé un pour 30 balles il y a quelques années. Mieux, j'ai aussi acheté le câble original télé avec le "sucre" pour la série 7 pour 15 euros :D

JC
"On veut faire du zéro défaut mais on a zéro bonhomme et zéro budget, et bien à la fin on a zéro résultat..."
Avatar du membre
itasoft
Mi homme - Mi automate
Mi homme - Mi automate
Messages : 7816
Enregistré le : 20 oct. 2015, 10:15
Localisation : Lyon
Contact :

Re: Remplacement convertisseur rs232 boucle de courant

Message par itasoft »

j'ai aussi acheté le câble original télé avec le "sucre" pour la série 7 pour 15 euros
-------------
c'est quoi ce câble, je connais pas, à quoi il ressemble ??
Automaticien privé (de tout)
itasoft@free.fr
Répondre