J'ai une installation PAC air/eau Easytherm Easyduo 14KW qui date de 2013. L'installation est simple puisqu'il y a une zone unique pour les plancher chauffants et les deux radiateurs basse températures. Il y a dessus un régulateur Crouzet XD26 SP09003 24V DC branché sur une carte mère Mitsubishi RG00V580 B. Il y a aussi un thermostat sans fil.
Ils en ont vendu plein à la grande époque mais depuis Easytherm a fermé donc plus de support possible.
Le montage initial n'a pas été fait proprement, le régulateur d'origine est branché en direct sur les Waggo, il n'y a pas de disjoncteurs en entrée des composants. Ce qui devait arriver un jour arriva, le régulateur a fini par griller.
J'ai demandé à un pote électronicien de voir s'il était possible de changer un relais dedans pour qu'il se rallume, pour pouvoir récupérer le programme il me confirme qu'il est irrécupérable.
J'ai une autre installation avec un Crouzet XD10 + extension XA04. Il n'y a pas de mot de passe mais la récupération du programme plante avec des messages sympas du type:
"The following functions BOOLEEN, 650 contained in the workshop are more recent", "The program contains an unknown application-specific function (error no DC46_53)".
Le soft me propose de mettre à jour les fonctions dans le régulateur mais dans l'aide il est bien écrit que ca effacera le programme existant dans l'EPROM. Bref ça sent les boss qui ont bien pensé à la rétro-compatibilité de leur matériel.
Et si j'avais envie d'être un collectionneur fou de régulateurs Crouzet des années 2000 je suis puni ?
Donc j'ai envoyé un email au support Crouzet mais à moins de tomber sur un archéologue sympa, il y a des fortes chances pour qu'ils m'envoient péter dans mes 22 mètres.
J'ai aussi acheté son successeur, un Crouzet Millenium 3 24V avec son câble USB.
Mes questions:
Est-ce que l'un de vous, a, ou a un client qui a une Easytherm Easyduo sur laquelle il serait possible de récupérer le programme dans l'EPROM qui pourrait m'envoyer le programme pour m'éviter de devoir le recoder ? Y a t'il un médecin dans la salle ? (ne répondez pas tous en même temps)
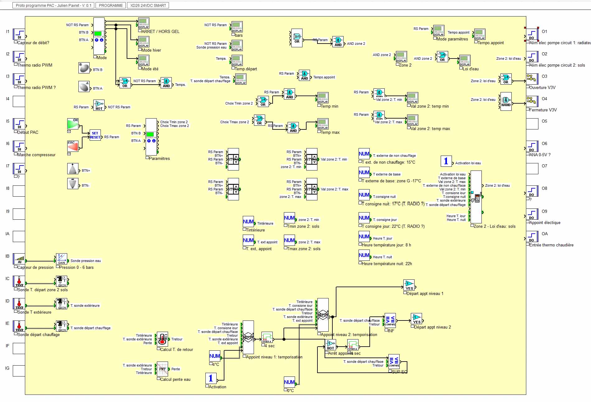
Comme j'ai un doute sur l'existence du père Noël j'ai commencé un nouveau programme sous M3 Soft en me basant sur les algos présents dans la notice Easytherm.
J'utilise le composant loi d'eau fourni par le soft qui a l'air assez bien fait.
Je suis à l'aise avec la programmation des écrans de l'IHM ainsi qu'avec tous les opérateurs logiques du soft.
J'ai fait:
Les écrans que j'ai déduit de la notice (en ne conservant qu'une zone)
une belle macro pour calculer la pente d'eau (nécessaire pour la fournir au lancement des appoints)
une autre macro calculer la température de retour (nécessaire pour la fournir au lancement des appoints)
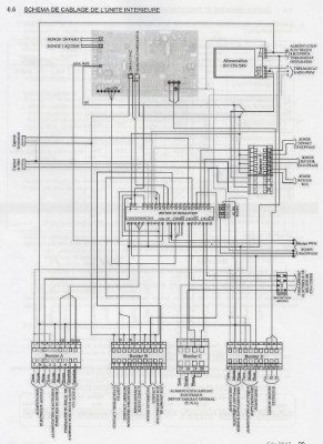
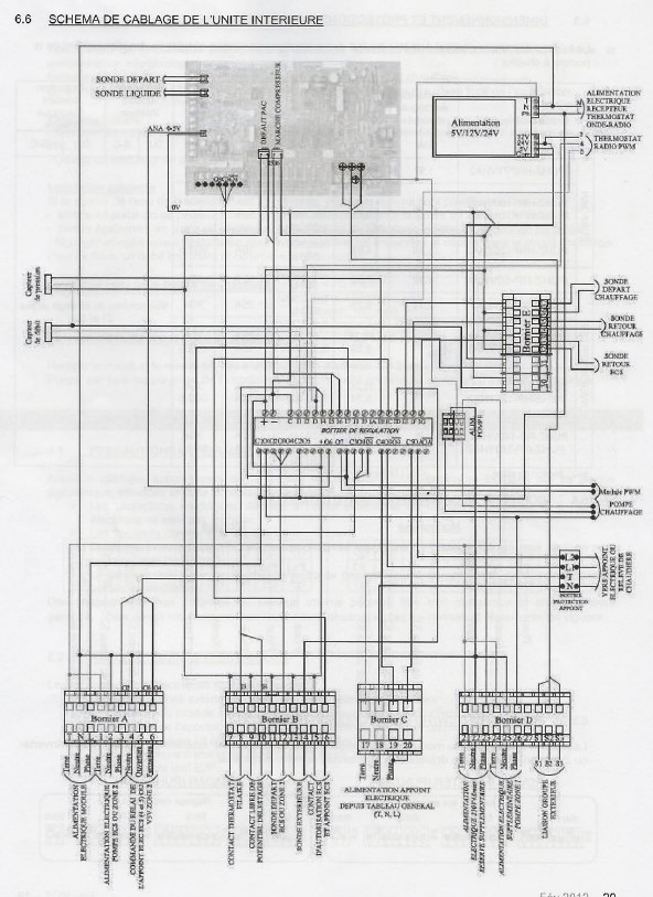
Sans aucun support possible d'Easytherm, en me basant sur le schéma dans la portière du module interne et en parcourant les fils de mes petits doigts délicats j'ai déduit des entrées/sorties.
Entrées TOR:
I1: capteur de débit
I2, I3: thermostat radio
I5: défaut PAC
I6: marche compresseur
Entrées ANA:
IB: capteur de pression (jusqu'à 3 bars)
IC: sonde T. de départ
ID: sonde extérieure
IE: sonde départ chauffage
Sorties:
O1: alim pompe circuit 1
O2: alim pompe circuit 2
O3: ouverture vanne
O4: fermeture vanne
O6: ANA 0-5V lancement PAC (?)
O9: appoint
OA: entrée thermo chaudière (?)
Et comme si c'était si simple, les sorties C du nouveau modèle de régulateur diffère d'avec l'ancien:
Sur l'ancien XD26 il avait des C1, C2, C+, C3, C4, C5
Sur le nouveau XD26 il y a uniquement un C.
A quoi servent ces C sur le régulateur d'origine ? Comment dois-je transposer mes branchements existants vers le nouveau C unique ?
Ci joint j'ai mis:
- Le schéma de principe des branchements entre les composants et les waggos
- Mon bel ouvrage sous M3 Soft
- Une photo du boitier interne dans ses grands jours
- Une photo de famille émouvante avec les deux générations de XD26
Evidemment, pour l'instant j'ai un peu du mal à me dire que je vais pouvoir brancher le bouzin et que tout va s'allumer tout propre.
Vous êtes sorcier du village option rebouteux avec une spécialisation en exorcisme appliqué (idéalement Master 1 au Vatican, à Lourdes), vous défendez l'honneur de la cause de la confrérie des chevaliers Crouzet, le désir vous brûle de souffleter l'apprenti impétrant ignorant des arcanes de l'Art, n'hésitez pas à: (cocher les cases):
- m'insulter
- me dire qu'on est pas à l'école ici, et me renvoyer à mes chères études
- m'aider (mieux)
- me conseiller (encore mieux)
- ondoyer du boule en slip léopard pour me vendre vos services (pourquoi pas)
- Le graal: m'envoyer par mail cette saloperie de programme d'origine fourni dans le régulateur
Bref, la passion nous anime et l'espoir fait vivre
Merci à tous
Julien

