pid pour asservissement variateur mécanique

Forum traitant des automates industriels de marque Schneider - Telemecanique
Répondre
dédé1052
Première mise en service
Première mise en service
Messages : 58
Enregistré le : 22 juin 2020, 11:15

pid pour asservissement variateur mécanique

Message par dédé1052 »

Bonjour,

Je suis nouveau sur ce forum et quasiment novice dans le domaine de l'automatisme. Je rétrofite actuellement un vieux tour à commande numérique Cazeneuve HBCNC2, dont vous pouvez suivre l'avancement ici : https://www.usinages.com/threads/retrof ... 60.126271/

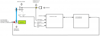
Je n'arrive pas à piloter la broche car mon contrôleur (CSlab CSMIO/IP-S) me fournit un signal analogique 0-10v pour gérer la vitesse de la broche, ce qui plutôt assez courant sur ces machines. Le problème est que pour mon tour, le variateur est mécanique (à courroie type scooter), piloté hydrauliquement via une électrovanne proportionnelle. Celle-ci pilote une accélération de la broche (et non la vitesse), il faut l'alimenter via un signal analogique 0-24V.
Le point neutre est à 12V => maintient de la vitesse de la broche, plus on baisse la tension en dessous de ces 12V, plus la broche va décélérer, plus on augmente la tension au dessus de ces 12v, plus la broche va accélérer.
Il y a un codeur permettant de mesurer la vitesse de la broche, il s'agit d'un Heidenhain rod426, signal TTL (1250 pusl/tour). Il y a aussi une boite mécanique avec 2 gammes de vitesse 50 à 375 tr/min et 400 à 3000 tr/min (donc un rapport de 8 entre les 2 gammes). Le changement de gamme se fait manuellement, il y a simplement un contacteur par gamme indiquant au système si on est en 1 ou 2.

L'idée de CSLAB est de créer une PID via un PLC avec une entrée analogique 0-10V recevant la consigne de vitesse du controleur CSMIO, une sortie analogique 0-10V qui alimentera une carte d'amplification 0-24v (que je possède déja) connectée à l’électrovanne proportionnelle, une entrée capable de recevoir le signal du codeur, 2 entrées tor pour les gammes.

Le problème est que je suis quasiment novice dans ce domaine. J'ai tenté d'avoir de l'aide sur un forum électronique (cela pourrais se faire avec des AOP) et sur ce forum (automate type Mitsubishi) mais sans succès, je suis un peux désespéré... Il me faudrait quasiment une solution clé en main c'est à dire créer le programme qui va bien... J'ai un PLC pas cher https://fr.aliexpress.com/item/32894429 ... 5e5bJOfguL
mais on peut partir sur autre chose si le tarif reste raisonnable.

Merci pour votre aide

Voir schéma ci dessous.
pilotage variateur tour.png
Avatar du membre
itasoft
Mi homme - Mi automate
Mi homme - Mi automate
Messages : 7806
Enregistré le : 20 oct. 2015, 10:15
Localisation : Lyon
Contact :

Re: pid pour asservissement variateur mécanique

Message par itasoft »

Slts,
Si le codeur est acouplé à la broche à 3000 t/mn ça nous ferait du 62 kHz déjà le PLC FX1N FX2N FX3U-24MR à 12kHz de chez les bouffeurs de riz ne va pas suivre. Je mettrais un M221 à 100 kHz + module à sortie analogique, à voir
--------
Si je comprens bien pour l'utiliser tel quel il manque juste la carte d'aplification 10V/24V que tu posséde déjà, non ??????

Es que ça veut dire que ce tour n’as jamais fonctionné de sa vie ? Comment il marchait avant ?
Modifié en dernier par itasoft le 21 mars 2022, 09:21, modifié 1 fois.
Automaticien privé (de tout)
itasoft@free.fr
dédé1052
Première mise en service
Première mise en service
Messages : 58
Enregistré le : 22 juin 2020, 11:15

Re: pid pour asservissement variateur mécanique

Message par dédé1052 »

Salut,

Oui c'est ça le codeur est couplé directement à la broche et effectivement ça donne bien 62kHz incompatible avec mon PLC. A priori on est à 12k max sur ce PLC, ce qui serait suffisant pour la gamme 1 pour faire d'éventuels essais. Je sais que c'est 100k en option mais j'ignore si c'est un module en + ou directement sur un PLC spécifique.

Mais bon comme évoqué précédemment je veux bien partir sur autre chose, ta proposition peut me convenir si j'en trouve un d'occasion pas trop cher.

Oui j'ai la carte d'amplification 10/24v (j'en ai même 2 models différents...), elles possèdent en plus des potards pour jouer sur les courbes et temps de réponse. Ce qu'il me manque vraiment c'est les connaissances en programmation de PLC...
dédé1052
Première mise en service
Première mise en service
Messages : 58
Enregistré le : 22 juin 2020, 11:15

Re: pid pour asservissement variateur mécanique

Message par dédé1052 »

Pour répondre à ta dernière question, ce tour français fonctionnait très bien jusqu'au jour ou la commande numérique à lâché, d'ou le rétofit. Il est de 1983, sa mise au point date de 1979 environ, c'était une vielle technologie bien avant l’apparition des cn num couplées à des TSX17. Il y avait des cartes électroniques dans tout les sens, impossible pour moi de trouver de la doc sur ce tour, même chez Cazeneuve (toujours en activité).

J"ai réussi à faire des macro en VBA pour piloter les tourelles de changement d'outils le CSMIO, reste plus que le pilotage de la broche.
dédé1052
Première mise en service
Première mise en service
Messages : 58
Enregistré le : 22 juin 2020, 11:15

Re: pid pour asservissement variateur mécanique

Message par dédé1052 »

Bonjour,

Bonne nouvelle, je suis parvenu a comprendre les bases du ladder, mais seulement les trucs simples comme activer une sortie lorsqu'un contact en entrée est = à 0 ou 1. J'arrive à programmer ce que je peux lire sur des schémas de machine contenant des contacteurs et relais. ça parait peu mais c'est un grand pas pour moi ;) Je suis parvenu également à brancher mon automate Lollette à mon PC fixe possédant une liaison série et donc transférer un programme simple. Ce dernier fonctionne correctement sur l'automate, je suis très content!

Du coup je vais tenter de faire un programme pour mon application avec votre aide. Si ça fonctionne pour la gamme 1 j'investirai dans 100khz en entrée pour que cela fonctionne également pour la gamme 2. J'ai cependant un petit problème : ça fonctionne bien avec mon PC fixe mais mon portable est dépourvu de liaison série donc j'ai acheté un câble convertisseur USB/RS232 mais ça ne fonctionne pas. Avez vous déja rencontré ce problème?

La prochaine étape sera en effet de brancher l'automate et le pc portable au codeur de la machine pour voir si j'arrive à récupérer un signal, ainsi que le 0-10v de la consigne.
Avatar du membre
Brebiou
Mi homme - Mi automate
Mi homme - Mi automate
Messages : 1013
Enregistré le : 21 oct. 2015, 08:38

Re: pid pour asservissement variateur mécanique

Message par Brebiou »

dédé1052 a écrit : 30 mars 2022, 08:40 ...
ça fonctionne bien avec mon PC fixe mais mon portable est dépourvu de liaison série donc j'ai acheté un câble convertisseur USB/RS232 mais ça ne fonctionne pas. Avez vous déja rencontré ce problème?
...
Salut,

Des pilotes était il fourni, genre sur un CD?
Windows les as t il installé tout seul?

As tu vérifié le numéro de port COM dans le gestionnaire de périphériques de ton PC portable?
MiGaNuTs
Mi homme - Mi automate
Mi homme - Mi automate
Messages : 1577
Enregistré le : 12 nov. 2015, 21:02
Localisation : 45 - Loiret
Contact :

Re: pid pour asservissement variateur mécanique

Message par MiGaNuTs »

L'une des raison pour lesquelles je n'utilise plus que des automates dotés d'un port Ethernet c'est justement que les liaison par ces convertisseurs USB a tout genre ca fini toujours par faire des misères.
Des fois ca marche, mais des fois non.

Par contre le problème avec les M221 c'est que même pour les pro qui en installent 25 par an c'est devenu une galère pour s'en procurer, =S= subissant une pénurie de composants pour les fabriquer.
Du coup j'imagine que pour un particulier ça ne doit pas être simple en ce moment.

Ça m'attriste un peu pour toi car ton projet est intéressant et ta démarche pour arriver au bout est la bonne. Tu t'y prends de la bonne façon, mais les éléments externes semblent faire tout leur possible pour te compliquer la tache encore un peu plus.

Sinon, vu que ton problème actuel semble être la fréquence trop élevée de ton signal de vitesse, un simple diviseur de fréquence (par 2, 4 ou 8) a base de portes logiques entre ton codeur et l'automate pourrait te permettre de le contourner. Tu perds un peu en précision, mais au moins tu aura un truc qui marche.
dédé1052
Première mise en service
Première mise en service
Messages : 58
Enregistré le : 22 juin 2020, 11:15

Re: pid pour asservissement variateur mécanique

Message par dédé1052 »

Merci pour vos réponses et votre soutient, ça fait vraiment plaisir.

Pour les pilotes effectivement ils étaient fournis sur un CD, mais ça ne fonctionnait pas. Du coup j'ai laissé windows en rechercher un, à priori "le périphérique fonctionne correctement" mais ça ne fonctionne pas. Enfin j'ai tenté d'en installer d'autres venant du net en fonction du modèle de la puce, même chose. Oui j'ai bien fait attention au numéro du port, par défaut il installe sur le COM3 que j'ai reporté dans le logiciel. A priori ça dialogue un peu quand même mais le PLC ne renvoie pas le bon bit ou un truc du genre je n'ai plus le message en tête.
Je suis d'accord, ce type de convertisseur c'est vraiment galère et d'après ce que j'ai pu lire sur le net, je ne suis vraiment pas le seul.

Si ça ne fonctionne pas avec le portable, je n'aurais d'autre choix que de brancher mon pc fixe, ça sera un peu galère mais c'est toujours mieux que d'abandonner le projet.

Pour ce qui est des galères ça n'est rien à coté de ma situation perso, je me suis fait licencié il y a presque 2 ans, du coup je me suis mis à mon compte en découpe plasma cnc, un peu d'usinage (des bricoles en traditionnel) et prestations de service diverse. Cela dans le but d'avoir des horaires libres pour pouvoir gérer mes filles car ma conjointe s'est faite mutée à 2h de route de notre domicile. Mais ma boite ne marche pas (période compliquée, les clients se tournent vers de la découpe laser du fait de la hausse des prix de l'acier, l'écart de prix entre les 2 process à fortement chuté, la découpe laser est de bien meilleure qualité). Je dois rembourser mon emprunt avant de mettre la clé sous la porte sinon c'est la saisie de ma propriété. Heureusement je touche une petite allocation chômage depuis mon licenciement, mais de ce fait il m'est impossible de travailler en interim ou en salarié sinon je la perds. Je me vois refuser du boulot car les boîtes de mon secteur ne souhaitent que des salariés et interim, pas de prestations sur facturation. Je ne demande qu'à travailler pour payer mes dettes, ça c'est un vrai problème. Bref si je parviens à faire fonctionner ce tour, j'aurai un peu plus de boulot, des pièces à tourner que je refusais avant faute de matériel.

Pour le diviseur de fréquence, j'y ai pensé mais je ne trouve rien sur le net, en as-tu un a me conseiller?

merci
dédé1052
Première mise en service
Première mise en service
Messages : 58
Enregistré le : 22 juin 2020, 11:15

Re: pid pour asservissement variateur mécanique

Message par dédé1052 »

Bonjour,

Je rencontre un autre problème pour le branchement de mon codeur. Il est en TLL 5V mais les entrées du PLC sont en 24v. J'ai trouvé un convertisseur pas trop couteux qui pourrais peut-être corriger ce problème :

https://fr.aliexpress.com/item/40012976 ... -recommend

Mais le souci c'est que je vais également avoir besoins des signaux du codeur pour mon boitier CSMIO qui lui ne prend que du TTL 5V. J'ai trouvé un diviseur de signal mais là ça n'est pas du tout le même prix :

https://fr.aliexpress.com/item/4001152248050.html

Petite précision supplémentaire : je pense n'avoir besoin que d'un seul signal pour le PLC contrairement au CSMIO qui a besoins de connaitre le sens de rotation.

Qu'en pensez vous? Si j'ai bien compris je ne vais brancher que le signal A sur l'entrée du PLC, il n'y a pas de masse à connecter?
philou77
Mi homme - Mi automate
Mi homme - Mi automate
Messages : 2142
Enregistré le : 21 oct. 2015, 10:00
Localisation : Ile de France

Re: pid pour asservissement variateur mécanique

Message par philou77 »

Salut !

c'est quoi ton boitier CSMIO ?
Ca correspond à quoi dans ton plan / Schéma ?

Pourquoi amplifier le signal 0-10V, puisque ton automate lolette SORT déjà du 0-10V ?
Ce ne doit être qu'un signal de commande à la vanne proportionnelle (pas besoin de puissance)

Pour info sur un comptage, c'est au mlnimum :
Pulse + Direction
ou bien
2 signaux différentiels A / B (qui donne les impulsions ET le sens de comptage) (à préférer à mon humble avis)

Dans les 2 cas, tu DOIS avoir au minimum
- 2 signaux pour le comptage
- conserver les 2 signaux supplémentaires pour connaitre le rapport mécanique de la broche enclenché.
- conserver la consigne analogique de vitesse 0-10V (qui devrait représenter 0 à 100% du rapport enclenché)

Pour ta com, tu peux tenter d'utiliser un port au delà de 4 (il me semble que le système peut se réserver l'accès au port 1 à 4)

Après vérification sur leur site, je ne vois pas de modules en high speed counter 100khz
tu es sûr que le codeur est directement en sortie de broche avec un rapport 1/1 ?
Si vous avez compris tout ce que je viens d'écrire, c'est que j'ai dû faire une erreur quelque part ! :D
Répondre