Problème de lecture entrée analogique
Problème de lecture entrée analogique
Bonjour,
J'ai un petit problème de lecture sur une entrée analogique sur un S7 313C.
j'ai raccorder un potentiomètre sur l'entrée AI 0 renvoyant un signal 0 à 10v, j'utilise un bloc FC105 mais la valeur maximal sur l'entrée in sur le bloc ne dépasse pas 40O alors que je suis à 10V.
D'ou peut venir le problème ?
Merci d'avance.
J'ai un petit problème de lecture sur une entrée analogique sur un S7 313C.
j'ai raccorder un potentiomètre sur l'entrée AI 0 renvoyant un signal 0 à 10v, j'utilise un bloc FC105 mais la valeur maximal sur l'entrée in sur le bloc ne dépasse pas 40O alors que je suis à 10V.
D'ou peut venir le problème ?
Merci d'avance.
Re: Problème de lecture entrée analogique
Est il possible d'avoir une capture d'ecran du programme ?
Re: Problème de lecture entrée analogique
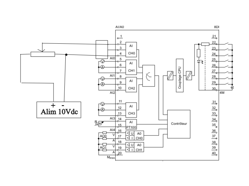
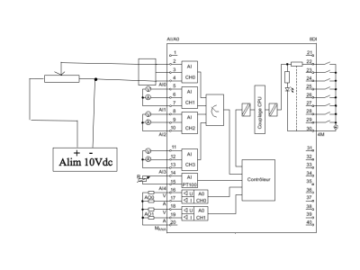
Et éventuellement le schéma de câblage
- itasoft
- Mi homme - Mi automate

- Messages : 7807
- Enregistré le : 20 oct. 2015, 10:15
- Localisation : Lyon
- Contact :
Re: Problème de lecture entrée analogique
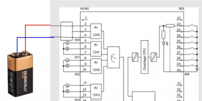
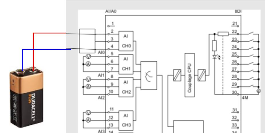
slts,
Le branchement est correct sauf que on ne connais pas les Caractéristiques de l'alim 10V ni la valeur du potentiomètre ?
tester avec une pile, (si la DURACEL coûte trop cher, en prendre une de CAROUF , lol )
------------------------
Le branchement est correct sauf que on ne connais pas les Caractéristiques de l'alim 10V ni la valeur du potentiomètre ?
tester avec une pile, (si la DURACEL coûte trop cher, en prendre une de CAROUF , lol )
------------------------
Automaticien privé (de tout)
itasoft@free.fr
itasoft@free.fr
Re: Problème de lecture entrée analogique
Merci, pour vos réponses. Je vais tester cela et reviendrai vers vous dès que ce sera fait.
Petite question encore, l'automate en question est un S7 300 CPU 313C qui devra également être en liaison avec une IHM sur KTP600. Je programme actuellement sur step7 v5.6.
Serait-il préférable de passer sous TIA portal, sachant que je devrai utiliser wincc pour l'IHM ?
Je suis débutant.
Merci d'avance.
Petite question encore, l'automate en question est un S7 300 CPU 313C qui devra également être en liaison avec une IHM sur KTP600. Je programme actuellement sur step7 v5.6.
Serait-il préférable de passer sous TIA portal, sachant que je devrai utiliser wincc pour l'IHM ?
Je suis débutant.
Merci d'avance.
Re: Problème de lecture entrée analogique
Rassures toi juste que la reference de ta CPU se trouve bien dans le catalogue materiel de TIA Portal.
Un projet souvent integre cree moins de souci que lorsqu'on bosse sur 2 logiciels differents
Un projet souvent integre cree moins de souci que lorsqu'on bosse sur 2 logiciels differents
Re: Problème de lecture entrée analogique
Bonjour,
Après avoir suivi vos conseils j'ai pu déterminer la cause du problème. Il s'agissait en faite d'un problème de câblage, la borne étant en faite un petit peu usée, le fil ne faisait pas bien contact.
La lecture se fait correctement.
J'ai également installé TIA portal et il contient bien toutes les références des cartes que j'utilise.
Cependant lorsque j'écris le même programme sur TIA portal à la place de step7 v5.6, c'est à dire avec la fonction SCALE à la place du FC105, la CPU se met en SF après le chargement du programme. Lorsque je retire le réseau contenant le fonction SCALE et que je recharge, le SF disparait.
Y aurai-t-il des problème de compatibilité ?
Après avoir suivi vos conseils j'ai pu déterminer la cause du problème. Il s'agissait en faite d'un problème de câblage, la borne étant en faite un petit peu usée, le fil ne faisait pas bien contact.
La lecture se fait correctement.
J'ai également installé TIA portal et il contient bien toutes les références des cartes que j'utilise.
Cependant lorsque j'écris le même programme sur TIA portal à la place de step7 v5.6, c'est à dire avec la fonction SCALE à la place du FC105, la CPU se met en SF après le chargement du programme. Lorsque je retire le réseau contenant le fonction SCALE et que je recharge, le SF disparait.
Y aurai-t-il des problème de compatibilité ?

