Informations sur plan de câblage d une machine

Partie du forum pour tout ce qui concerne la partie électricité et électrotechnique dans l'industrie. Forum, conseil, astuce et entraide sur l'électricité industrielle et l'électrotechnique. Aide à la résolution de problèmes et dépannage.
Med27
Apprend le binaire
Apprend le binaire
Messages : 8
Enregistré le : 02 août 2021, 08:58

Informations sur plan de câblage d une machine

Message par Med27 »

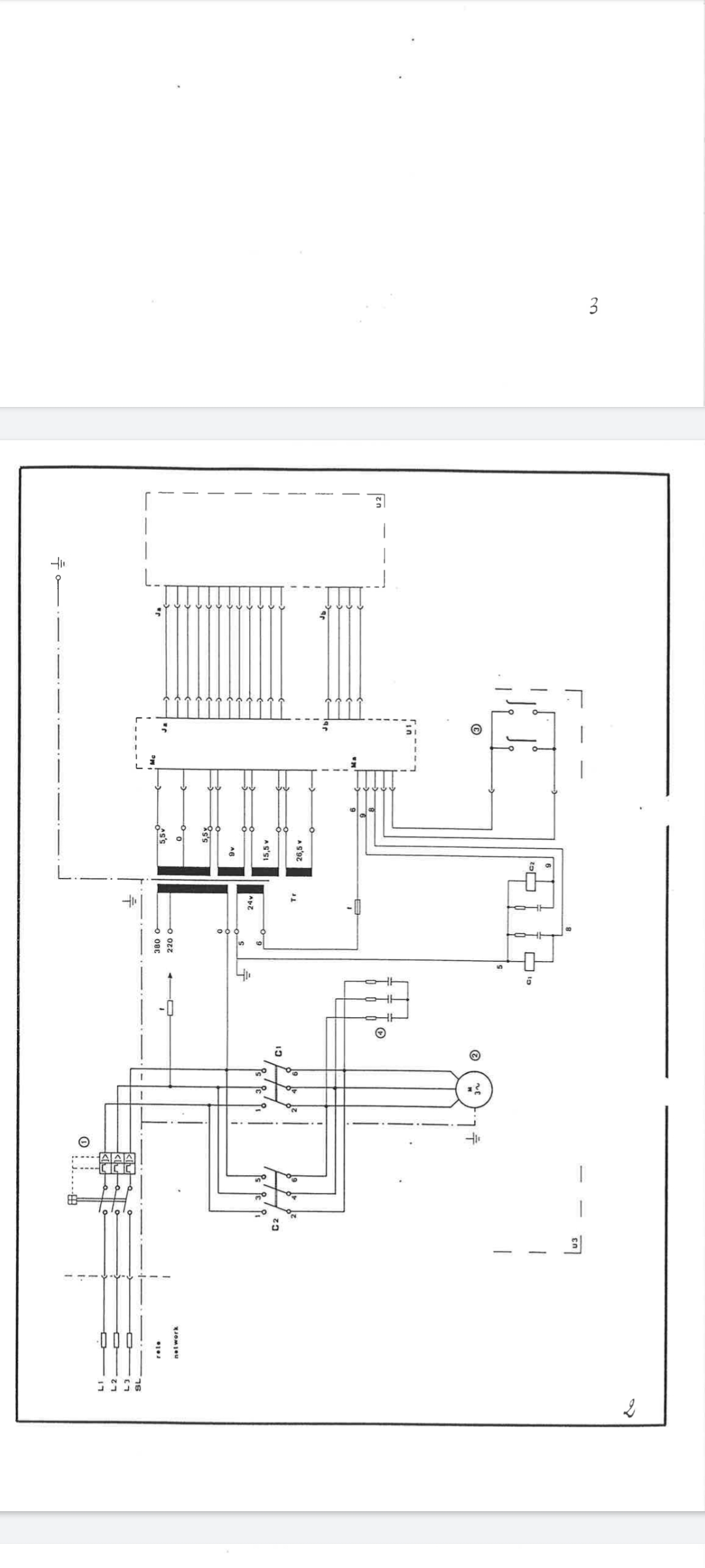
Bonjour a tous, j aurais besoin d informations concernant un plan de câblage en vue de sa modification je vous joint l image du plan
C est le repère N°4 dont je ne comprend pas son branchement car apparemment il est alimenté en 380v (quant le moteur est alimenté )est il est branché sur une carte électronique
Merci de votre aide
Plan
Plan
Lorent2
Maître du binaire
Maître du binaire
Messages : 487
Enregistré le : 27 déc. 2015, 08:52

Re: Informations sur plan de câblage d une machine

Message par Lorent2 »

Si quelquefois tu te sens petit, inutile, démoralisé ou dépressif, n'oublies jamais que tu as été un jour le plus rapide et le meilleur spermatozoïde de ta bande ...
Med27
Apprend le binaire
Apprend le binaire
Messages : 8
Enregistré le : 02 août 2021, 08:58

Re: Informations sur plan de câblage d une machine

Message par Med27 »

Merci pour le lien mais j avoue que je suis pas expert en électronique je comprends pas tout sinon c est bien un circuit RC DEVICE
mais d après vous est ce normal que ce soit relié à une carte électronique vu que ça délivre du 380v ?
Avatar du membre
Béryl
Mi homme - Mi automate
Mi homme - Mi automate
Messages : 1975
Enregistré le : 20 oct. 2015, 12:00
Localisation : localhost

Re: Informations sur plan de câblage d une machine

Message par Béryl »

C'est un filtre sinus.
Il est nécessaire entre autres si ton câble moteur n'est pas blindé.
Il diminue les surtensions (mais pas autant qu'un filtre dv/dt) et réduit pas mal les perturbations électromagnétiques.
En général on met ça entre un var et le moteur.
J'en ai jamais vu sur un démarrage direct comme le tien !
Med27
Apprend le binaire
Apprend le binaire
Messages : 8
Enregistré le : 02 août 2021, 08:58

Re: Informations sur plan de câblage d une machine

Message par Med27 »

Ok merci de l info en faite j'ai alimenté le moteur via un variateur de fréquence mono/tri380 en modifiant les commandes pour que ça passe par le variateur ( sans alimenté la partie électronique basse tension car erreur de branchement du transformateur de ma part je n arrivé pas a l alimenté en 220 au lieu de 380 comme a l origine .....) Donc j ai enclenché le contacteur relais manuellement le moteur a tourné mais ça a cramé les résistances de ce fameux RC DEVICE d ou mon interrogation si c est normal que le 380 arrive dessus
Avatar du membre
itasoft
Mi homme - Mi automate
Mi homme - Mi automate
Messages : 7810
Enregistré le : 20 oct. 2015, 10:15
Localisation : Lyon
Contact :

Re: Informations sur plan de câblage d une machine

Message par itasoft »

Slts,
c'est un filtre RC paso-doble , je voulais dire passe-haut , lol
Modifié en dernier par itasoft le 02 août 2021, 17:53, modifié 1 fois.
Automaticien privé (de tout)
itasoft@free.fr
Avatar du membre
ProfnovA
Créateur de langage
Créateur de langage
Messages : 598
Enregistré le : 21 oct. 2015, 08:21

Re: Informations sur plan de câblage d une machine

Message par ProfnovA »

Pas sûr que le filtre soit conçu pour fonctionner en variation de vitesse... Moi, je l'enlèverai et garderai uniquement le variateur.
Tu peux ajouter un filtre anti-harmoniques en amont du variateur, par ex:

https://www.inorea.com/fr/26-accessoire ... nique.html

Perso, j'ai jamais mis de filtre aval variateur!
Med27
Apprend le binaire
Apprend le binaire
Messages : 8
Enregistré le : 02 août 2021, 08:58

Re: Informations sur plan de câblage d une machine

Message par Med27 »

Ok merci pour vos infos je vais essayer sans raccordé le filtre RC qui est sur la carte en espérant que ça se mette pas en défaut
Avatar du membre
itasoft
Mi homme - Mi automate
Mi homme - Mi automate
Messages : 7810
Enregistré le : 20 oct. 2015, 10:15
Localisation : Lyon
Contact :

Re: Informations sur plan de câblage d une machine

Message par itasoft »

Med27 a écrit : 02 août 2021, 12:53 Ok merci pour vos infos je vais essayer sans raccordé le filtre RC qui est sur la carte en espérant que ça se mette pas en défaut
-----------
es que par hasard le changement de sens du moteur se ferait à la volée , sans temps d’arrêt, ce qui justifierait les circuits RC ??
Automaticien privé (de tout)
itasoft@free.fr
Avatar du membre
Béryl
Mi homme - Mi automate
Mi homme - Mi automate
Messages : 1975
Enregistré le : 20 oct. 2015, 12:00
Localisation : localhost

Re: Informations sur plan de câblage d une machine

Message par Béryl »

itasoft a écrit : 02 août 2021, 15:14 es que par hasard le changement de sens du moteur se ferait à la volée , sans temps d’arrêt, ce qui justifierait les circuits RC ??
Oula, je voudrais pas être à côté du moteur quand tu inverses :shock: !
Répondre