Bonjours à tous, et bonne année.
Voila mon soucis,
Je branche une PT100 sur l'ABE-7cpa01 qui est relier au Tsx3722 par sa prise Analogique. Quand je fais mes mesures à l'aide de Pl7pro, je transforme les valeurs trouvée en tension et intensité pour retrouvé après mes calcul R de ma PT100, je trouve une différence 7 ohm par rapport à ce que la PT100 devrait nous donné à température ambiantes.
J'ai branché d'autre PT100 et le problème est le même, je trouve une différence 7-8 ohm.. (test fait avec PT100 - 2, 3 et 4 fils de 3 mètres)
de plus, mon projet initial est de brancher plusieurs PT100 sur l'ABE-7cpa01 qui est relier au Tsx3722 par sa prise Analogique. Mais quand je fais mes mesures, ça me donne une valeurs de 6500 au lieu de 10000 sur la " Sortie Ref. 10V" et 0 sur mes mesures d'intensité.
y a t il un soucie de compatibilité entre les différents matériels que j'utilisent ou est-ce moi qui est loupé quelque chose ?
Merci d'avance
Tsx3722, ABE-7cpa01 et PT100
- itasoft
- Mi homme - Mi automate

- Messages : 7810
- Enregistré le : 20 oct. 2015, 10:15
- Localisation : Lyon
- Contact :
Re: Tsx3722, ABE-7cpa01 et PT100
slts,
on présume que ta sonde PT100 sort en 4/20 mA ou du 0/10V
si c'est pas le cas, il faut les brancher sur le module AEZ414
(ABE7-CPA01 c'est pas fait pour les PT100 mais pour du 0/10V ou du 4/20mA)
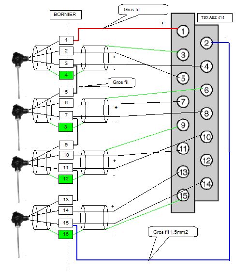
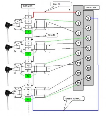
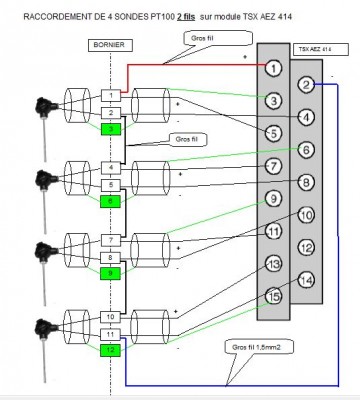
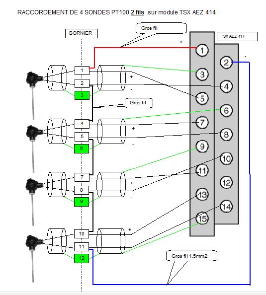
PT100 3 fils et PT100 2 fils
[attachment=1]_PT100_2.JPG[/attachment]
cliquer dessus pour agrandir la photo
[attachment=0]_PT100_3.JPG[/attachment]
on présume que ta sonde PT100 sort en 4/20 mA ou du 0/10V
si c'est pas le cas, il faut les brancher sur le module AEZ414
(ABE7-CPA01 c'est pas fait pour les PT100 mais pour du 0/10V ou du 4/20mA)
PT100 3 fils et PT100 2 fils
[attachment=1]_PT100_2.JPG[/attachment]
cliquer dessus pour agrandir la photo
[attachment=0]_PT100_3.JPG[/attachment]
Automaticien privé (de tout)
itasoft@free.fr
itasoft@free.fr
Re: Tsx3722, ABE-7cpa01 et PT100
Merci pour ta réponse.
Du coup mon maître de stage ma dit de laissé tomber les PT100 et de trouver quelque chose à installé sur l'ABE 7cpa01.
Capteur Capacitif .
Variateur de vitesse .
Mais j'arrive pas a voir si je peut branché un codeur ?
Du coup mon maître de stage ma dit de laissé tomber les PT100 et de trouver quelque chose à installé sur l'ABE 7cpa01.
Capteur Capacitif .
Variateur de vitesse .
Mais j'arrive pas a voir si je peut branché un codeur ?
- itasoft
- Mi homme - Mi automate

- Messages : 7810
- Enregistré le : 20 oct. 2015, 10:15
- Localisation : Lyon
- Contact :
Re: Tsx3722, ABE-7cpa01 et PT100
slts,
on peut brancher un codeur incrémental sur le ABE7CPA01
voir le manuel du TSX3722
on peut brancher un codeur incrémental sur le ABE7CPA01
voir le manuel du TSX3722
Automaticien privé (de tout)
itasoft@free.fr
itasoft@free.fr
Re: Tsx3722, ABE-7cpa01 et PT100
J'ai finalement trouver des capteur de température qui se branche sur l'ABE7-CPA01.
Sa marche plutôt bien mais il est lent à chauffer ou à refroidir, il serve plus mesuré la température ambiante.
Capteur de température Grove 101020015
Sa marche plutôt bien mais il est lent à chauffer ou à refroidir, il serve plus mesuré la température ambiante.
Capteur de température Grove 101020015
- itasoft
- Mi homme - Mi automate

- Messages : 7810
- Enregistré le : 20 oct. 2015, 10:15
- Localisation : Lyon
- Contact :
Re: Tsx3722, ABE-7cpa01 et PT100
slts,
tu as trouvé une tension de 5Vcc pour alimenter le capteur de température ?
de plus ça sort une tension de 0--5V pour -40 à +125 °C
dans l'automate pour avoir un affichage en °C il faut appliquer une formule. ex: °C = ana*(40+125)/5000 -40
cliquer dessus pour agrandir la photo
tu as trouvé une tension de 5Vcc pour alimenter le capteur de température ?
de plus ça sort une tension de 0--5V pour -40 à +125 °C
dans l'automate pour avoir un affichage en °C il faut appliquer une formule. ex: °C = ana*(40+125)/5000 -40
cliquer dessus pour agrandir la photo
Automaticien privé (de tout)
itasoft@free.fr
itasoft@free.fr
