Bonjour,
Je suis totalement néophyte, je suis vraiment perdu alors je serai concis.
Je dois démarrer une prise sur laquelle est branchée un Ozonisateur (Générateur à décharge Corona) pendant des durées courtes par exemple 15 secondes à 60 secondes. Je dois réaliser divers test afin de faire ces activations toutes les 5 ou 10 ou 15 minutes afin d'expérimenter les taux d'ozone produits puis dissipé.
Je ne comprend pas quel est le nom du composant nécessaire.
Je souhaite un relai qui fonctionne en boucle donc cyclique et qui active une prise 12V ou 220V peut m'importe mais que je puisse bien choisir les intervales.
J'ai l'impression d'avoir trouvé le bon truc dans amazon avec un objet de genre ? https://www.amazon.fr/Kit-minuteur-Impu ... ewpoints=1
Que dois-je acheter ?
Merci infiniement.
Question Relai à allumage cyclique.
-
ChrisBreizh
- Apprend le binaire

- Messages : 2
- Enregistré le : 27 nov. 2018, 23:21
- itasoft
- Mi homme - Mi automate

- Messages : 7810
- Enregistré le : 20 oct. 2015, 10:15
- Localisation : Lyon
- Contact :
Re: Question Relai à allumage cyclique.
slts,
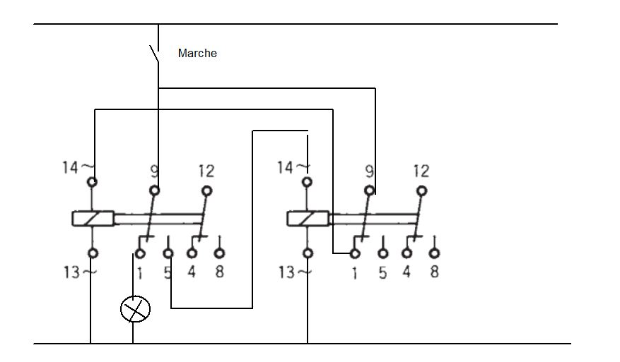
il te faut un relais clignotant avec un temps réglable 0à60s pour la marche et un temps réglable 0à60mn pour l’arrêt (c'est pas courant)
-cliquer dessus celui du lien ne convient pas, sinon ça peut aussi se faire avec 2 relais temporisés standard TON
cliquer dessus pour agrandir
-------
il te faut un relais clignotant avec un temps réglable 0à60s pour la marche et un temps réglable 0à60mn pour l’arrêt (c'est pas courant)
-cliquer dessus celui du lien ne convient pas, sinon ça peut aussi se faire avec 2 relais temporisés standard TON
cliquer dessus pour agrandir
-------
Automaticien privé (de tout)
itasoft@free.fr
itasoft@free.fr
-
ChrisBreizh
- Apprend le binaire

- Messages : 2
- Enregistré le : 27 nov. 2018, 23:21
Re: Question Relai à allumage cyclique.
Merci pour l'info donc j'achète deux relai et je les connecte en fait ?
Sinon je pensais me procurrer un arduino et un relai et piloter le relai par un petit programme qu'en pensez vous ?
Sinon je pensais me procurrer un arduino et un relai et piloter le relai par un petit programme qu'en pensez vous ?
Re: Question Relai à allumage cyclique.
S'il s'agit d'une installation industrielle, utilise des relais et/ou tempo industriels. Par exemple:
https://fr.rs-online.com/web/p/products ... lsrc=aw.ds
https://fr.rs-online.com/web/p/products ... lsrc=aw.ds
- itasoft
- Mi homme - Mi automate

- Messages : 7810
- Enregistré le : 20 oct. 2015, 10:15
- Localisation : Lyon
- Contact :
Re: Question Relai à allumage cyclique.
slts,
oui l'Arduino ou le relais à profnova ou 2 relais Amazon à 5,56 € (en fonction de ton budget) .
---------
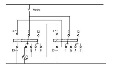
cablage des 2 relais Amazon
-------
oui l'Arduino ou le relais à profnova ou 2 relais Amazon à 5,56 € (en fonction de ton budget) .
---------
cablage des 2 relais Amazon
-------
Automaticien privé (de tout)
itasoft@free.fr
itasoft@free.fr
-
Phil40
- Code sa première boucle

- Messages : 20
- Enregistré le : 22 oct. 2015, 19:45
- Localisation : Castets des Landes
Re: Question Relai à allumage cyclique.
bonjour,Chris
T’embête pas a câbler tu prends un relais qui fait les 2 pour moins de 50€:
https://fr.rs-online.com/web/p/relais-t ... s/8285164/
T’embête pas a câbler tu prends un relais qui fait les 2 pour moins de 50€:
https://fr.rs-online.com/web/p/relais-t ... s/8285164/
- itasoft
- Mi homme - Mi automate

- Messages : 7810
- Enregistré le : 20 oct. 2015, 10:15
- Localisation : Lyon
- Contact :
Re: Question Relai à allumage cyclique.
ça fait une différence de 40€ , moi pour 40€ je câblePhil40 a écrit : ↑30 nov. 2018, 14:16 bonjour,Chris
T’embête pas a câbler tu prends un relais qui fait les 2 pour moins de 50€:
https://fr.rs-online.com/web/p/relais-t ... s/8285164/
Automaticien privé (de tout)
itasoft@free.fr
itasoft@free.fr
