Problème Programmation Ladder Pl7 Pro
Re: Problème Programmation Ladder Pl7 Pro
Re !!
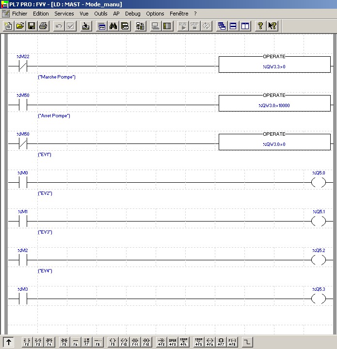
J'ai effectué quelques essais dans la journée sans succès, du coup j'ai pris en screen shot tout le programme, peut être pouvez vous m'éclairez sur un point que je n'ai pas fais attention (la marche manuel fonctionne) :
Le programme (VM= Vanne mécanique, EV= Electro-vanne)
Les vannes mécaniques fonctionne à 10 000, tout comme le moteur, seulement les electro-vannes sont soit ouverte (0) ou fermé (1):
La suite La table d'animation avec les entrées et sorties et les mots pour mieux comprendre la signification de chaque mot :
J'ai effectué quelques essais dans la journée sans succès, du coup j'ai pris en screen shot tout le programme, peut être pouvez vous m'éclairez sur un point que je n'ai pas fais attention (la marche manuel fonctionne) :
Le programme (VM= Vanne mécanique, EV= Electro-vanne)
Les vannes mécaniques fonctionne à 10 000, tout comme le moteur, seulement les electro-vannes sont soit ouverte (0) ou fermé (1):
La suite La table d'animation avec les entrées et sorties et les mots pour mieux comprendre la signification de chaque mot :
Re: Problème Programmation Ladder Pl7 Pro
Et voici le grafcet de la marche automatique, que je n'arrive pas à faire fonctionner, je bloque à l'étape 2-3, la pompe ne se met pas en route ...
Désolé pour la qualité
Désolé pour la qualité
-
philou77
- Mi homme - Mi automate

- Messages : 2142
- Enregistré le : 21 oct. 2015, 10:00
- Localisation : Ile de France
Re: Problème Programmation Ladder Pl7 Pro
Ton Salut !
Tes réseaux sont pas bon (par exemple pour %M22) !
Il te faut une condition en début de réseau pour le mettre à 1 ou à 0 il me semble
Tes réseaux sont pas bon (par exemple pour %M22) !
Il te faut une condition en début de réseau pour le mettre à 1 ou à 0 il me semble
Si vous avez compris tout ce que je viens d'écrire, c'est que j'ai dû faire une erreur quelque part ! 
Re: Problème Programmation Ladder Pl7 Pro
Je vois pas du tout de quoi vous parlez, un exemple peut etre ?
Re: Problème Programmation Ladder Pl7 Pro
hello,
déjà 3 pages du forum pour quelque chose de très basique à réaliser.
j'admire la patience des intervenants qui te répondent @Tedd.
d'autant plus, qu'à priori, tu ne tiens pas compte de leurs remarques (réponse de @disturbz qui s'est pris la peine de te montrer la bonne voie - versus tes derniers screenshots ...)
si tu es auto-didacte dans le domaine, il faut commencer par les cours qui sont disponibles à gauche et à droite sur le net (google, youtube ...) - notamment la notion de PREL, CHART et POST.
ce forum est pour aider sur des problématiques bien précises (avec des questions bien précises), pas pour faire des formations complètes
si c'est pour un usage pro, fais appel à un professionnel (c'est réglé en 10-15 minutes)
@+
déjà 3 pages du forum pour quelque chose de très basique à réaliser.
j'admire la patience des intervenants qui te répondent @Tedd.
d'autant plus, qu'à priori, tu ne tiens pas compte de leurs remarques (réponse de @disturbz qui s'est pris la peine de te montrer la bonne voie - versus tes derniers screenshots ...)
si tu es auto-didacte dans le domaine, il faut commencer par les cours qui sont disponibles à gauche et à droite sur le net (google, youtube ...) - notamment la notion de PREL, CHART et POST.
ce forum est pour aider sur des problématiques bien précises (avec des questions bien précises), pas pour faire des formations complètes
si c'est pour un usage pro, fais appel à un professionnel (c'est réglé en 10-15 minutes)
@+
- JC87
- Mi homme - Mi automate

- Messages : 2232
- Enregistré le : 20 oct. 2015, 13:00
- Localisation : Nouvelle Aquitaine
Re: Problème Programmation Ladder Pl7 Pro
Ce que tu fais ne peut pas marcher, tu met des bits à un à l'activation des étapes, ils ne resteront à un qu'un tour de cycle... Ce qu'il faut faire c'est le séquentiel en grafcet et écrire les sorties en combinatoires comme te l'a dit disturbz. Cette façon de faire est une des bases de la programmation automate.
JC
JC
"On veut faire du zéro défaut mais on a zéro bonhomme et zéro budget, et bien à la fin on a zéro résultat..."
Re: Problème Programmation Ladder Pl7 Pro
Bonjour Steph,
Oui, je suis désolé je sais que j'aurais du le faire plus tôt, j'ai oublié de me présenter alors voila pour vous répondre Steph et pour répondre a tout ceux qui se demandent pourquoi je pose autant de questions
sur des notions facile (pour vous, pas pour moi
) d'automatisme.
Je suis en licence pro système automatisés, je prépare un projet dans l'établissement. Nous travaillons en autonomie, depuis deux semaines car notre professeur c'est absenté et quand il est partit nous as dis d'effectuer la marche manu/auto, remplacer l' IHM présent et l'étalonnage.
Donc ce n'est pas du tout pour un usage pro et je ne suis pas du tout un auto-didacte, juste une personne qui a des difficultés. Après si vous trouvez que j'ai usé mon ratio de pages, je vais m'arrêter la. Mais si des âmes charitables continuent encore à prendre de leur temps pour m'aider dans mon projet, je les remercient vivement.
Bonjour JC,
Merci de ton aide, d'accord je comprend, je vais regarder ça
Oui, je suis désolé je sais que j'aurais du le faire plus tôt, j'ai oublié de me présenter alors voila pour vous répondre Steph et pour répondre a tout ceux qui se demandent pourquoi je pose autant de questions
sur des notions facile (pour vous, pas pour moi
Je suis en licence pro système automatisés, je prépare un projet dans l'établissement. Nous travaillons en autonomie, depuis deux semaines car notre professeur c'est absenté et quand il est partit nous as dis d'effectuer la marche manu/auto, remplacer l' IHM présent et l'étalonnage.
Donc ce n'est pas du tout pour un usage pro et je ne suis pas du tout un auto-didacte, juste une personne qui a des difficultés. Après si vous trouvez que j'ai usé mon ratio de pages, je vais m'arrêter la. Mais si des âmes charitables continuent encore à prendre de leur temps pour m'aider dans mon projet, je les remercient vivement.
Bonjour JC,
Merci de ton aide, d'accord je comprend, je vais regarder ça
Re: Problème Programmation Ladder Pl7 Pro
je comprends bien qu'il faut commencer un jour (je suis aussi passé par là) mais fais-tu l'effort de te documenter (via l'aide en ligne de PL7-Pro par ex) ?Donc ce n'est pas du tout pour un usage pro et je ne suis pas du tout un auto-didacte, juste une personne qui a des difficultés.
@Disturbz t'avais donné la solution que tu n'as pas prise en compte (ou peut-être pas comprise) ?
là, le sujet est en train de dériver en solution "clé en main" plutôt que coup de pouce
concernant les actions grafcet :
Citation d'une doc trouvée sur le net, premier lien google :
en d'autres termes, lorsque l'évènement de l'action est passé, l'action n'est plus exécutée* les actions à l’activation : actions exécutées une fois lorsque l’étape à laquelle elles sont associées passe de l’état inactif à l’état actif.
* les actions à la désactivation : actions exécutées une fois lorsque l’étape à laquelle elles sont associées passe de l’état actif à l’état inactif.
* les actions continues : ces actions sont exécutées tant que l’étape à laquelle elles sont associées est active.
donc tu mets à 1 un bit que tu ne remettras plus jamais à 0
pourquoi utiliser autant de mémento (bit intermédiaire) ??
tu peux interroger directement l'état de l'étape grafcet (qui est un bit intermédiaire aussi) ...
au lieu de faire (exemple):
si je suis sur l'étape 1, j'active M1
si M1 est activé, j'active EV1
fais plutot:
si je suis sur l'étape 1, j'active EV1
@+
Re: Problème Programmation Ladder Pl7 Pro
sinon pour répondre à la question de la réceptivité de la transition X3-->X0:
une pompe est à l'arrêt quand il n'y a plus de débit
donc si tu veux vérifier l'arrêt de la pompe, tu vérifies l'entrée "débit" (%IW2.2 ou %IW2.3 ...)
@+
une pompe est à l'arrêt quand il n'y a plus de débit
donc si tu veux vérifier l'arrêt de la pompe, tu vérifies l'entrée "débit" (%IW2.2 ou %IW2.3 ...)
@+

