Bonjour,
malgré une configuration pour mesure en tension qui me semble correcte,
le canal 4 est connecté à une sonde de température à LM35D et les autres sont "en l'air",
les valeurs sont toutes au maximum.
Qu'est-ce qui se passe ?
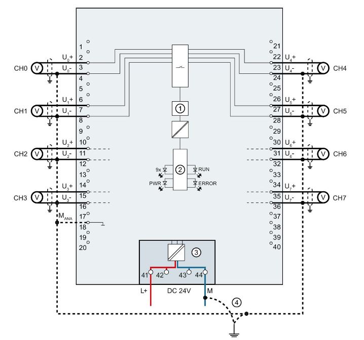
Entrées analogiques 6ES7531-7KF00-0AB0
-
Redmike1963
- Code sa première boucle

- Messages : 16
- Enregistré le : 26 mai 2025, 08:03
-
MiGaNuTs
- Mi homme - Mi automate

- Messages : 1604
- Enregistré le : 12 nov. 2015, 21:02
- Localisation : 45 - Loiret
- Contact :
Re: Entrées analogiques 6ES7531-7KF00-0AB0
Bonjour.
Je ne sait pas comment est concu la carte, mais entrées sont probablement multiplexées. Ca se fait beaucoup dans le monde de l'embarqué.
Il y'a un seul convertisseur analogique-numérique, et la carte bascule d'une entrée physique a l'autre sur le can avec un beau chenillard interne pour lire les valeurs les unes apres les autres.
Comme tu a des pattes en l'air, les entrées non utilisées "captent la radio", et les divers condos et autres filtres internes n'ont pas le temps de se décharger quand arrive le moment de "sampler" la seule entrée vraiment utilisée le can est encore chargé avec "les cochonneries" des canaux pas utilisés.
Y'a surement un endroit dans la doc ou ils disent qu'il faut raccorder les cannaux pas utilisés a la masse pour ne pas parasiter les mesures des autres canaux.
Ou, plan B: Le CAN est mort, du coup la carte sample n'importe quoi.
Je ne sait pas comment est concu la carte, mais entrées sont probablement multiplexées. Ca se fait beaucoup dans le monde de l'embarqué.
Il y'a un seul convertisseur analogique-numérique, et la carte bascule d'une entrée physique a l'autre sur le can avec un beau chenillard interne pour lire les valeurs les unes apres les autres.
Comme tu a des pattes en l'air, les entrées non utilisées "captent la radio", et les divers condos et autres filtres internes n'ont pas le temps de se décharger quand arrive le moment de "sampler" la seule entrée vraiment utilisée le can est encore chargé avec "les cochonneries" des canaux pas utilisés.
Y'a surement un endroit dans la doc ou ils disent qu'il faut raccorder les cannaux pas utilisés a la masse pour ne pas parasiter les mesures des autres canaux.
Ou, plan B: Le CAN est mort, du coup la carte sample n'importe quoi.
-
Redmike1963
- Code sa première boucle

- Messages : 16
- Enregistré le : 26 mai 2025, 08:03
Re: Entrées analogiques 6ES7531-7KF00-0AB0
La gamme S7-1500 n'est pas vraiment au format de "l'embarqué" ou alors il s'agit de porte-avions...
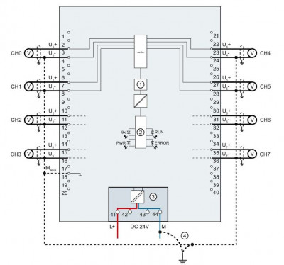
Les 4 premières entrées sont celles d'un module 4ai/2ao et aussi configurées en tension,
en l'air mais avec des mesures correctes.
Depuis le temps que Siemens produit des composants d'automation,
on est en droit de supposer qu'il ne s'agit pas de récepteurs radio à haute sensibilité !
Mon module ayant été acheté d'occasion, il était peut-être "naze" à la sortie de l'emballage.
Les 4 premières entrées sont celles d'un module 4ai/2ao et aussi configurées en tension,
en l'air mais avec des mesures correctes.
Depuis le temps que Siemens produit des composants d'automation,
on est en droit de supposer qu'il ne s'agit pas de récepteurs radio à haute sensibilité !
Mon module ayant été acheté d'occasion, il était peut-être "naze" à la sortie de l'emballage.
-
MiGaNuTs
- Mi homme - Mi automate

- Messages : 1604
- Enregistré le : 12 nov. 2015, 21:02
- Localisation : 45 - Loiret
- Contact :
Re: Entrées analogiques 6ES7531-7KF00-0AB0
Le diag n'est pas tres compliqué a faire.
Raccorder les 3 voies inutilisées au 0v comme c'est probablement préconisé dans la doc.
Si le défaut persiste, bah plan B.
Pour etre vraiment sur et certain du diag, raccorder aussi la 4eme entrée aussi a la masse plutot qu'au capteur, et si le defaut persiste a persister, le can est mort avec 200% de probabilité.
En effet le S7-1500 c'est pas concu pour l'embarqué, mais Siemens les achete ses composants a des fondeurs de puces pour produire ses cartes.
Le choix ces CPU intel dans les S5 a l'époque y est pour beaucoup dans la facon dont la mémoire est organisée aujourd'hui par exemple.
Les poids forts et faibles inversés et l'existance des OB, FB et autres DB c'est des héritages du 8088. Sur les automates a base de 68000 c'etait architecturé différement.
Raccorder les 3 voies inutilisées au 0v comme c'est probablement préconisé dans la doc.
Si le défaut persiste, bah plan B.
Pour etre vraiment sur et certain du diag, raccorder aussi la 4eme entrée aussi a la masse plutot qu'au capteur, et si le defaut persiste a persister, le can est mort avec 200% de probabilité.
En effet le S7-1500 c'est pas concu pour l'embarqué, mais Siemens les achete ses composants a des fondeurs de puces pour produire ses cartes.
Le choix ces CPU intel dans les S5 a l'époque y est pour beaucoup dans la facon dont la mémoire est organisée aujourd'hui par exemple.
Les poids forts et faibles inversés et l'existance des OB, FB et autres DB c'est des héritages du 8088. Sur les automates a base de 68000 c'etait architecturé différement.
-
Redmike1963
- Code sa première boucle

- Messages : 16
- Enregistré le : 26 mai 2025, 08:03
Re: Entrées analogiques 6ES7531-7KF00-0AB0
Ce n'est pas le module 4ai/2ao qui pose problème mais celui dont la référence est en titre du sujet.
Le manuel du module est ici [highlight]https://cache.industry.siemens.com/dl/f ... _fr-FR.pdf[/highlight] et je ne lis pas de telles recommandations.
Il est extrêmement rare d'acheter des composants Siemens neufs qui présentent une défectuosité,
par contre, des câblages douteux, ça existe...
Ma question est de savoir si je n'ai pas gaffé lors du paramétrage du module.
Lorsque je paramètres les entrées en courant, il se produit un défaut de fil coupé sur les canaux correspondants,
le module n'est donc pas totalement mort.
Le manuel du module est ici [highlight]https://cache.industry.siemens.com/dl/f ... _fr-FR.pdf[/highlight] et je ne lis pas de telles recommandations.
Il est extrêmement rare d'acheter des composants Siemens neufs qui présentent une défectuosité,
par contre, des câblages douteux, ça existe...
Ma question est de savoir si je n'ai pas gaffé lors du paramétrage du module.
Lorsque je paramètres les entrées en courant, il se produit un défaut de fil coupé sur les canaux correspondants,
le module n'est donc pas totalement mort.
- JC87
- Mi homme - Mi automate

- Messages : 2253
- Enregistré le : 20 oct. 2015, 13:00
- Localisation : Nouvelle Aquitaine
Re: Entrées analogiques 6ES7531-7KF00-0AB0
Hello,
Je pense à un problème de plage. Normalement un LM35D c'est 0-100°C donc en paramétrant du -500mv tu décale tout et si ça se trouve tu es hors plage haute ce qui expliquerai ce 32000 et des bananes.
JC
Je pense à un problème de plage. Normalement un LM35D c'est 0-100°C donc en paramétrant du -500mv tu décale tout et si ça se trouve tu es hors plage haute ce qui expliquerai ce 32000 et des bananes.
JC
"On veut faire du zéro défaut mais on a zéro bonhomme et zéro budget, et bien à la fin on a zéro résultat..."
- MarcoTheWindows
- Forcené des structures

- Messages : 157
- Enregistré le : 14 juin 2021, 14:12
- Localisation : Landes
- Contact :
Re: Entrées analogiques 6ES7531-7KF00-0AB0
... un problème de plage, c'est de circonstance en moment
"Donner c'est donner, repeindre ses volets"
-
Redmike1963
- Code sa première boucle

- Messages : 16
- Enregistré le : 26 mai 2025, 08:03
Re: Entrées analogiques 6ES7531-7KF00-0AB0
Voici ce qu'on obtient avec une configuration identique pour les entrées des deux cartes, à savoir +-1V;
le signal du capteur a été branché sur le canal 1 de la carte à 4ai/2ao, 6788/27648 points => 0.2455V,
ce qui correspond à un peu plus de 24°C.
Il est donc probable que le module 7KF00 soit "à la plage"
le signal du capteur a été branché sur le canal 1 de la carte à 4ai/2ao, 6788/27648 points => 0.2455V,
ce qui correspond à un peu plus de 24°C.
Il est donc probable que le module 7KF00 soit "à la plage"