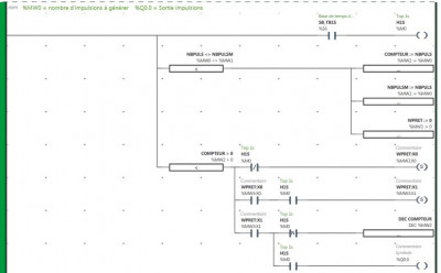
Principe : Brancher une cloche en sortie %Q0.0 , dans %MW0 entrer le niveau de la connerie faite.
Exemple : Pour un niveau 10 , il reçoit 10 sons de cloches dans les oreilles.
---------------clic zoom--------
Application sonneur de cloches sur M221
- itasoft
- Mi homme - Mi automate

- Messages : 7810
- Enregistré le : 20 oct. 2015, 10:15
- Localisation : Lyon
- Contact :
Application sonneur de cloches sur M221
Automaticien privé (de tout)
itasoft@free.fr
itasoft@free.fr