Je suis en train de monter un Coffret avec une prise 3P+N+T 63A.
Sur ces prises il y a un fil pilote, couplé à une bobine à manque de tension, cela permet de couper la charge lors du retrait de la fiche 3P+N+T 63A.
J'ai cependant un problème au niveau du câblage. Je me sens un peu "nul" à poser ce genre de question.
En me référant au site Schneider je dois respecter le Schéma de gauche : https://www.se.com/fr/fr/faqs/FA339161/
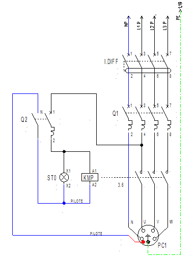
Ce qui donne ça selon moi : (le voyant nous permet juste d'avoir l'indication que le coffret est sous tension)

Si je respecte ce schéma de câblage, quand je remets la fiche 3P+N+T 63A, impossible de réarmer le disjoncteur 63A...
Du coup, je suis obligé de mettre un bouton poussoir de cette façon :

Ainsi, après remise en place de la fiche 3P+N+T 63A , j'appuie sur le bouton poussoir, je remonte le disjoncteur 63A, et quand je lâche le bouton mon disjoncteur reste bien en place et plus de problème.
Je pense cependant qu'il existe une autre solution. Schneider ne recommande pas d'utiliser un bouton poussoir...
Merci d'avance pour votre retour.
Cordialement,
Maxime.



