Communication avec API APRIL SMC 50

Forum traitant des automates industriels de marque Schneider - Telemecanique
djerem1
Apprend le binaire
Apprend le binaire
Messages : 6
Enregistré le : 01 nov. 2018, 11:38

Communication avec API APRIL SMC 50

Message par djerem1 »

Bonjour à tous,

Je vais vous exposé mon problème depuis le début, on a un automate APRIL SMC 50, la batterie de la carte d'alimentation a cramer, on a réussit à trouvé une carte d'occasion qu'on a fais révisé chez un électronicien, entre temps on a du perdre le programme dans l'automate.

On a tous ce qu'il faut pour pouvoir ré-injecté le programme (VPSOFT + le programme API), par contre pas moyen de se connecté à cet automate.

Est-ce qu'il y a un câble spécial ou autre? Nous avons un câble RS232 SUB D9/ SUB D25 standard et nous n'arrivons pas à nous connecté.
J'ai pu voir sur un site (http://www.irai.com/a8/a8.pdf au milieu de la page 4), qu'il faudrait un boitier de conversion RS232 / boucle de courant.

Connaissez vous aussi les paramètres de com standard pour ce type d'automate? Je n'ai essayé qu'avec cette configuration, celle par défaut du logiciel VPSOFT:
-9600 Bits par seconde
-8 Bits de données
-Parité: pair
-1 Bit d'arrêt
-Aucun contrôle de flux

Je fais appel à la mémoire des plus anciens pour m'aiguiller dans mon problème, j'ai passé plusieurs heures sur le net à chercher des informations mais sans grand succès...


Merci d'avance pour vos réponses.
EDIT: ah oui j'ai posté dans Schneider car APRIL avait été racheté par Schneider
Avatar du membre
itasoft
Mi homme - Mi automate
Mi homme - Mi automate
Messages : 7805
Enregistré le : 20 oct. 2015, 10:15
Localisation : Lyon
Contact :

Re: Communication avec API APRIL SMC 50

Message par itasoft »

slts,
sur le APRIL SMC 50 comment est la prise console, c'est une prise ronde DIN 7 broches ou un sub-d 9 ou 25 broches ???????
Automaticien privé (de tout)
itasoft@free.fr
djerem1
Apprend le binaire
Apprend le binaire
Messages : 6
Enregistré le : 01 nov. 2018, 11:38

Re: Communication avec API APRIL SMC 50

Message par djerem1 »

itasoft a écrit : 01 nov. 2018, 18:25 slts,
sur le APRIL SMC 50 comment est la prise console, c'est une prise ronde DIN 7 broches ou un sub-d 9 ou 25 broches ???????
Sur le SMC 50 c'est une sub D25 broches,

J'ai oublié de précisé, sur la partie à gauche de l'automate j'ai 2 slots ou j'ai 3 modules,
j'ai un module qui prend toute la hauteur avec une clé pour RUN/transfert je pense avec une LED en dessous qui passe de vert à rouge suivant la position de la clé, avec une SUB D 25 tout en bas,
et sur le slot de droite j'ai 2 modules, sur celui de haut avec une LED qui reste tout le temps verte et en dessous j'ai un autre module juste avec une prise SUB D25

EDIT: https://rmsnegoce.com/en/rmsnegoce-plc/744-2uc50.html ce serais le module de gauche
https://rmsnegoce.com/en/april/525-5mvv83-0.html le module en haut à droite
https://rmsnegoce.com/en/april/510-3cs50.html le module en bas à droite (je ne suis pas sur de cette référence mais le module ressemble fortement à celui ci)
Avatar du membre
itasoft
Mi homme - Mi automate
Mi homme - Mi automate
Messages : 7805
Enregistré le : 20 oct. 2015, 10:15
Localisation : Lyon
Contact :

Re: Communication avec API APRIL SMC 50

Message par itasoft »

slts,
ça doit être en boucle de courant il faudrait connaitre le brochage de la prise console (sub-d 25) et avoir le convertisseur RS232/BC
boitier BOX0020 ou TSXTE01
_______________Capture.JPG
Automaticien privé (de tout)
itasoft@free.fr
djerem1
Apprend le binaire
Apprend le binaire
Messages : 6
Enregistré le : 01 nov. 2018, 11:38

Re: Communication avec API APRIL SMC 50

Message par djerem1 »

itasoft a écrit : 01 nov. 2018, 18:56 slts,
ça doit être en boucle de courant il faudrait connaitre le brochage de la prise console (sub-d 25) et avoir le convertisseur RS232/BC
boitier BOX0020 ou TSXTE01

_______________Capture.JPG
D'accord, merci pour cette info,
T'as pu regardé mon EDIT du post précédant pour que tu puisse visualisé la config ?
Ce serais sur quel module qui faudrait se branché?
Je pense que sa va être compliqué d'avoir ces infos chez schneider vu qu'ils ont arrêter le SAV en 2004 si je dis pas de bêtises...
Avatar du membre
itasoft
Mi homme - Mi automate
Mi homme - Mi automate
Messages : 7805
Enregistré le : 20 oct. 2015, 10:15
Localisation : Lyon
Contact :

Re: Communication avec API APRIL SMC 50

Message par itasoft »

slts,
je pense sur la sub-d celle qui est sur l'UC
en fait il faudrait avoir le brochage correspondant au SUB-D à la place de la prise DIN
--
________IP.JPG
Automaticien privé (de tout)
itasoft@free.fr
Avatar du membre
JC87
Mi homme - Mi automate
Mi homme - Mi automate
Messages : 2231
Enregistré le : 20 oct. 2015, 13:00
Localisation : Nouvelle Aquitaine

Re: Communication avec API APRIL SMC 50

Message par JC87 »

Bonjour,

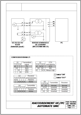
En Effet il faut un convertisseur RS232/BC. idéalement Une MA-21 de Westermo qui était la boucle utilisé par Telemecanique sous la référence TSXTE01 pour les automates de la série 7. Voici un schéma avec le brochage et la configuration de la boucle qui doit être active ce qui n'est pas le cas pour les automates Tele.
Cablage_SMC.png
JC
"On veut faire du zéro défaut mais on a zéro bonhomme et zéro budget, et bien à la fin on a zéro résultat..."
Avatar du membre
itasoft
Mi homme - Mi automate
Mi homme - Mi automate
Messages : 7805
Enregistré le : 20 oct. 2015, 10:15
Localisation : Lyon
Contact :

Re: Communication avec API APRIL SMC 50

Message par itasoft »

@JC
c'est tout bon pour lui alors, il as le brochage de la sub-d 25 sur ton schéma , je vois que tu as un joli musé bien fourni, LOL
Automaticien privé (de tout)
itasoft@free.fr
Jef74
Apprend le binaire
Apprend le binaire
Messages : 2
Enregistré le : 01 nov. 2018, 16:03

Re: Communication avec API APRIL SMC 50

Message par Jef74 »

Bonjour,
Je suis une collègue de Jeremy qui cherche aussi une solution pour notre API APRIL. 😅 Merci pour ces reponses rapides. J'ai regardé pour trouver le MA21 en vente et c'est compliqué. Il y a peut-être un TSXTE01 et aussi un convertisseur sur un site marchand (Lien ci-dessous). Pouvez-vous me dire si ces 2 modèles fonctionnent?(TSXTE01 passif ?)
https://fr.rs-online.com/mobile/p/adapt ... e/6403584/
Avatar du membre
itasoft
Mi homme - Mi automate
Mi homme - Mi automate
Messages : 7805
Enregistré le : 20 oct. 2015, 10:15
Localisation : Lyon
Contact :

Re: Communication avec API APRIL SMC 50

Message par itasoft »

slts,
oui le Radiospares à 87,90 € convient il peut faire actif 20mA mais il faut l'alimenter en 5V soit par la prise USB du PC ou sur une alim 5Vcc externe
Automaticien privé (de tout)
itasoft@free.fr
Répondre